GM Service Manual Online
For 1990-2009 cars only
Makes
🢒
Pontiac
🢒
2004
🢒
Wave
🢒 Shift Lock Control - North America
Shift Lock Control - North America
North America
Master Electrical Component List
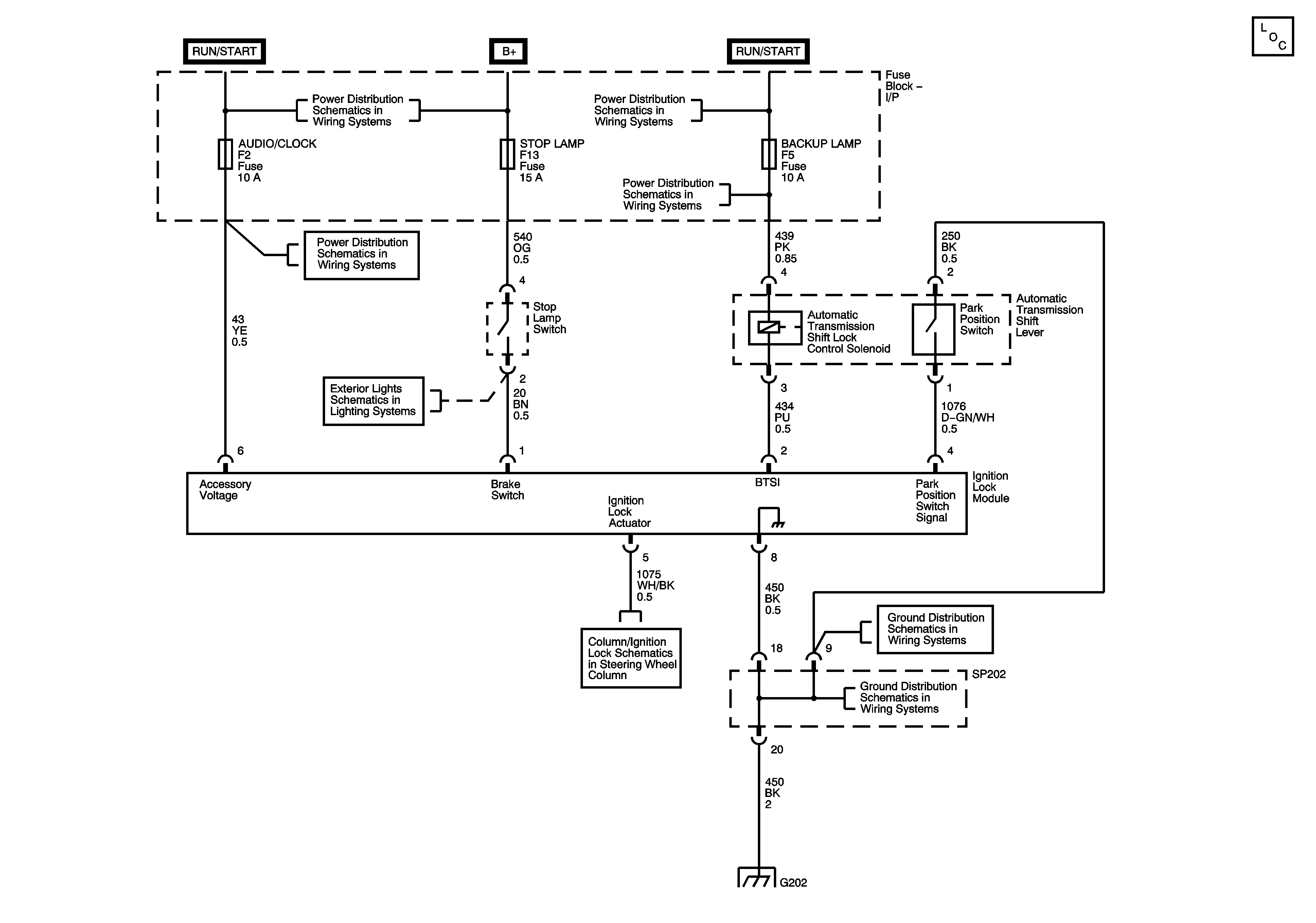
Underhood Fuse Block - IGN 1 Fuse, Ignition Switch, I/P Fuse Block, - CIGAR JACK, AUDIO CLOCK, METER CLOCK, TSIG, BACKUP LAMP, and AIR BAG Fuses
Underhood Fuse Block - IGN 1 Fuse, Ignition Switch, I/P Fuse Block, - CIGAR JACK, AUDIO CLOCK, METER CLOCK, TSIG, BACKUP LAMP, and AIR BAG Fuses
Underhood Fuse Block - IGN 1 Fuse, Ignition Switch, I/P Fuse Block, - CIGAR JACK, AUDIO CLOCK, METER CLOCK, TSIG, BACKUP LAMP, and AIR BAG Fuses
Underhood Fuse Block - IGN 1 Fuse, Ignition Switch, I/P Fuse Block, - CIGAR JACK, AUDIO CLOCK, METER CLOCK, TSIG, BACKUP LAMP, and AIR BAG Fuses
Stoplamps CHMSL
Ignition Lock Module
G202 1 of 2
G202 1 of 2