GM Service Manual Online
For 1990-2009 cars only
Makes
🢒
Pontiac
🢒
2004
🢒
Wave
🢒 Fuel Controls - EVAP Controls, Device Controls
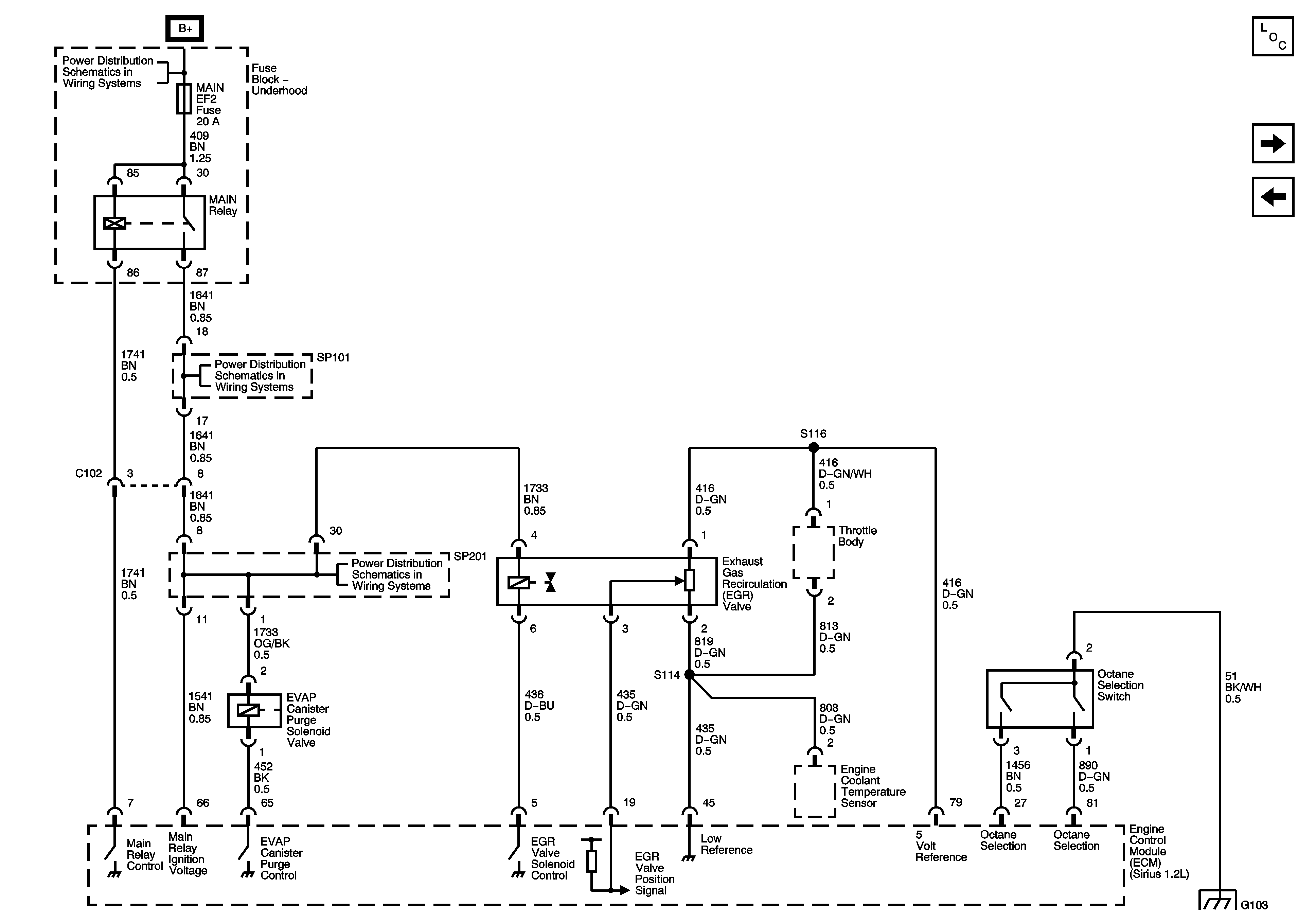
Fuel Controls - EVAP Controls, Device Controls
Fuel Controls - EVAP Controls, Device Controls
Master Electrical Component List
Controlled/Monitored Subsystem Referances
Fuel Controls - Fuel Pump Controls, Fuel Injectors
Underhood Fuse Block - Power Window, Cooling Fan Low Relay, Main Relay (1.2L), and Fuel Pump Fuses
Underhood Fuse Block - Power Window, Cooling Fan Low Relay, Main Relay (1.2L), and Fuel Pump Fuses
Underhood Fuse Block - Power Window, Cooling Fan Low Relay, Main Relay (1.2L), and Fuel Pump Fuses