GM Service Manual Online
For 1990-2009 cars only
Makes
🢒
Pontiac
🢒
2005
🢒
Wave
🢒 Head Up Display
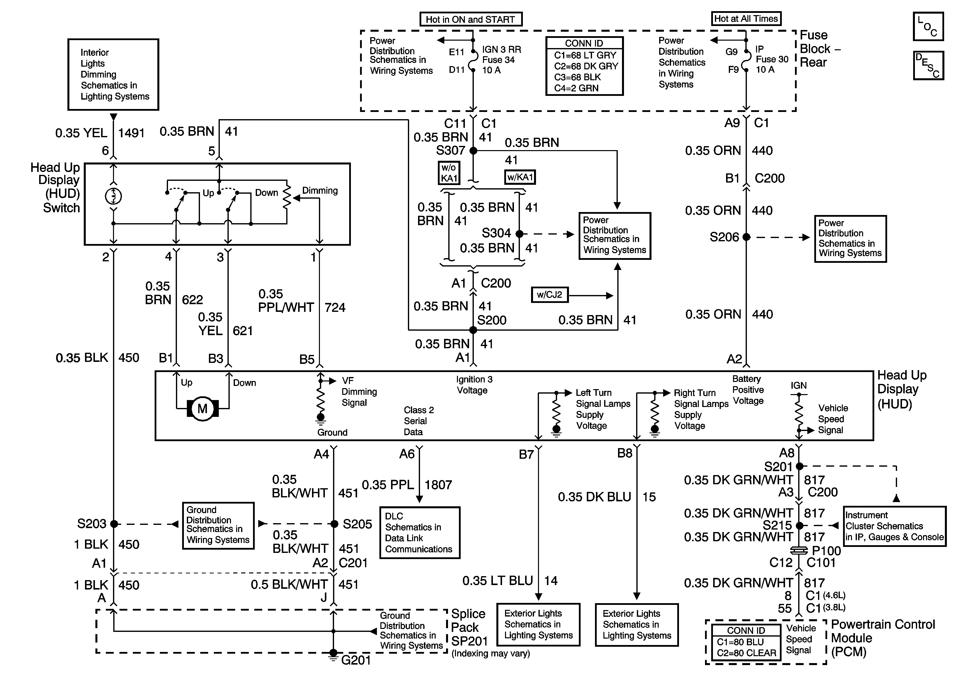
Head Up Display
Master Electrical Component List
Head Up Display (HUD) Description and Operation
I/P and Console Dimming
G201 (1 of 2)
IGN3 RR, and ABS Fuses (Fuse Block Rear)
Serial Data Class 2
G201 (1 of 2)
Rear Fuse Block - B+ Bus
IGN3 RR, and ABS Fuses (Fuse Block Rear)
Turn Signal Lamps and Indicators
Turn Signal Lamps and Indicators
IP, and CIGAR Fuses
Speedometer, Tachometer, and Fuel Indicators