GM Service Manual Online
For 1990-2009 cars only
Makes
🢒
Pontiac
🢒
2005
🢒
Wave
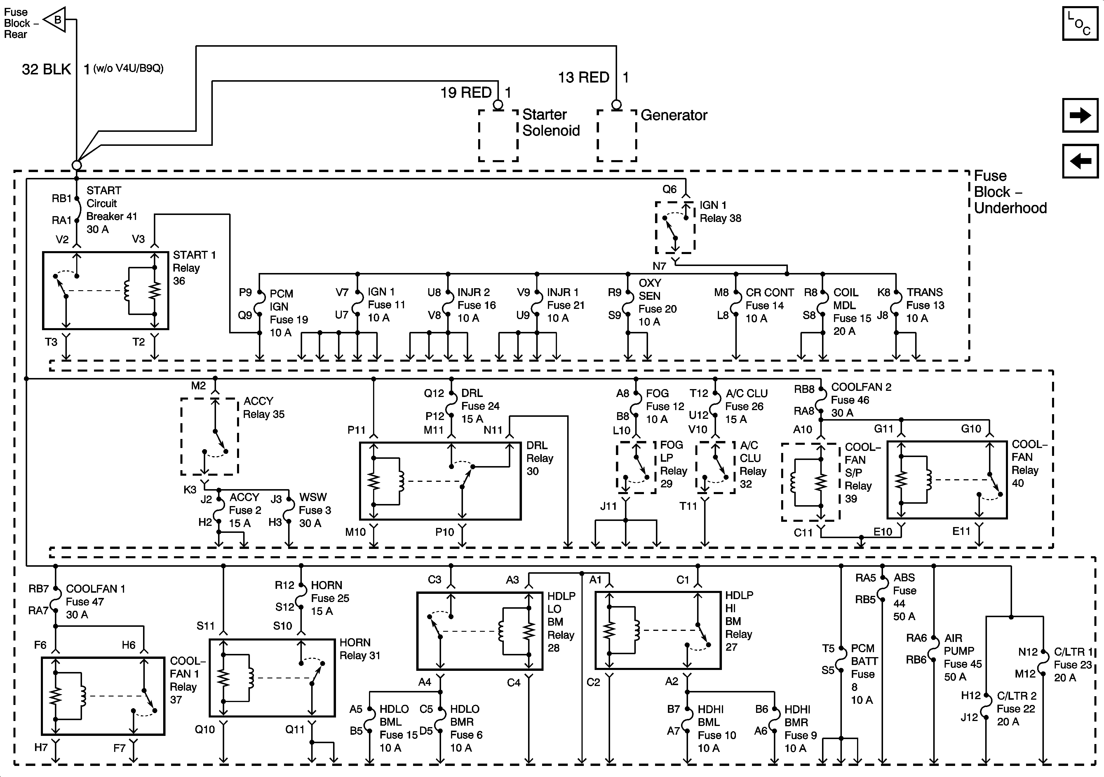
🢒 Underhood Fuse Block B+ Bus - 4.3L
Underhood Fuse Block B+ Bus - 4.3L
Underhood Fuse Block B+ Bus - 4.6L
Master Electrical Component List
Rear Fuse Block B+ Bus
Underhood Fuse Block B+ Bus - 3.8L
Rear Fuse Block B+ Bus