GM Service Manual Online
For 1990-2009 cars only
Makes
🢒
Pontiac
🢒
2005
🢒
Wave
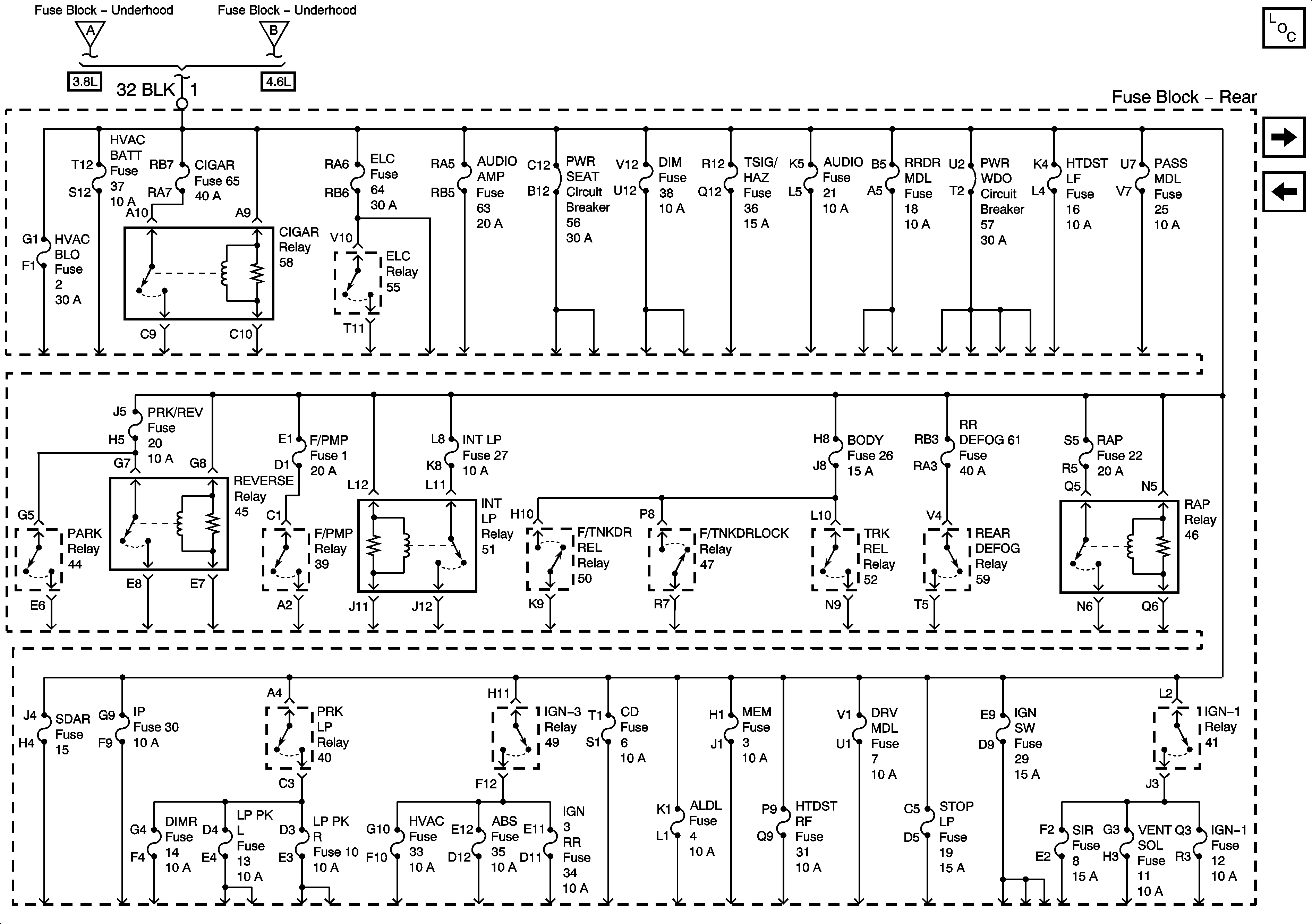
🢒 Rear Fuse Block B+ Bus
Rear Fuse Block B+ Bus
Rear Fuse Block B+ Bus
Master Electrical Component List
TRANS, DIS, OXY SEN, and IGN 1 Fuses - 3.8L
Underhood Fuse Block B+ Bus - 4.3L
Underhood Fuse Block B+ Bus - 3.8L
Underhood Fuse Block B+ Bus - 4.3L