GM Service Manual Online
For 1990-2009 cars only
Makes
🢒
Pontiac
🢒
2005
🢒
Wave
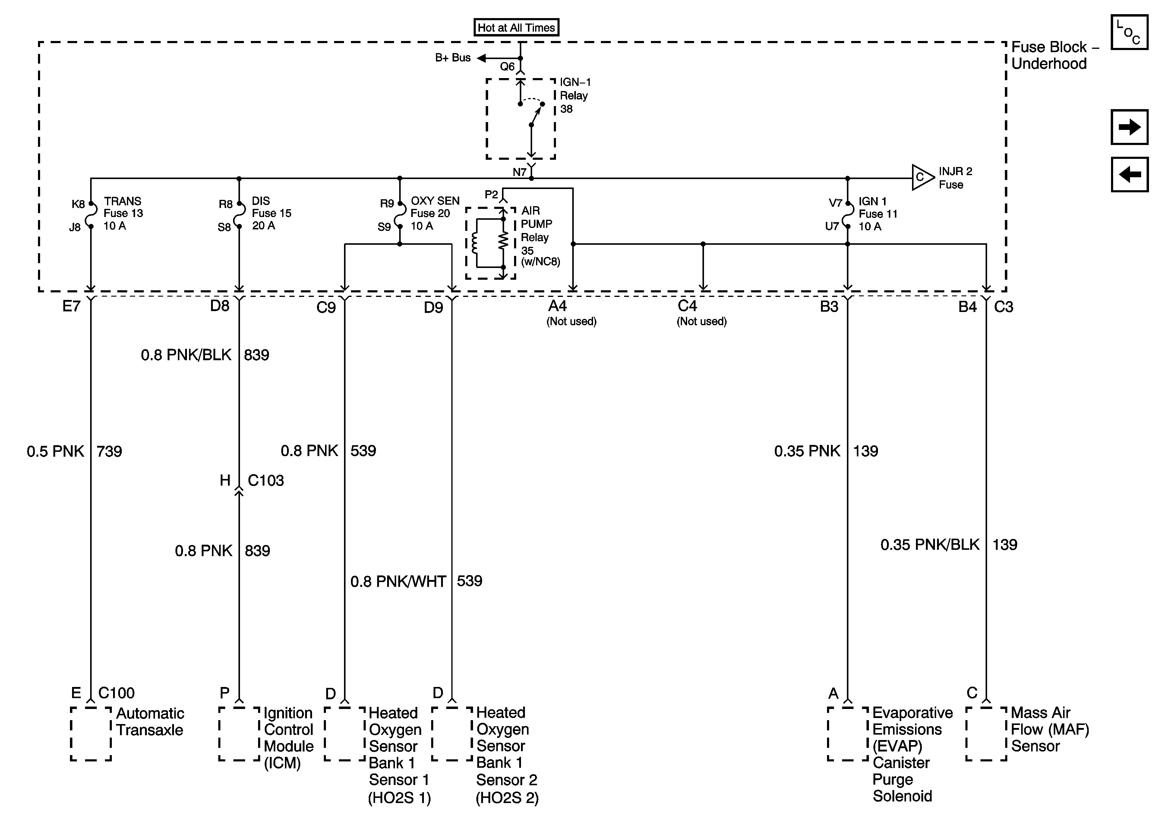
🢒 TRANS, DIS, OXY SEN, and IGN 1 Fuses - 3.8L
TRANS, DIS, OXY SEN, and IGN 1 Fuses - 3.8L
TRANS, DIS, OXY SEN, and IGN 1 Fuses - 3.8L
Master Electrical Component List
INJR 2, PCM IGN, CR CONT, and INJR 1 Fuses - 3.8L
Rear Fuse Block B+ Bus
Underhood Fuse Block B+ Bus - 3.8L
INJR 2, PCM IGN, CR CONT, and INJR 1 Fuses - 3.8L