GM Service Manual Online
For 1990-2009 cars only
Makes
🢒
Pontiac
🢒
2005
🢒
Wave
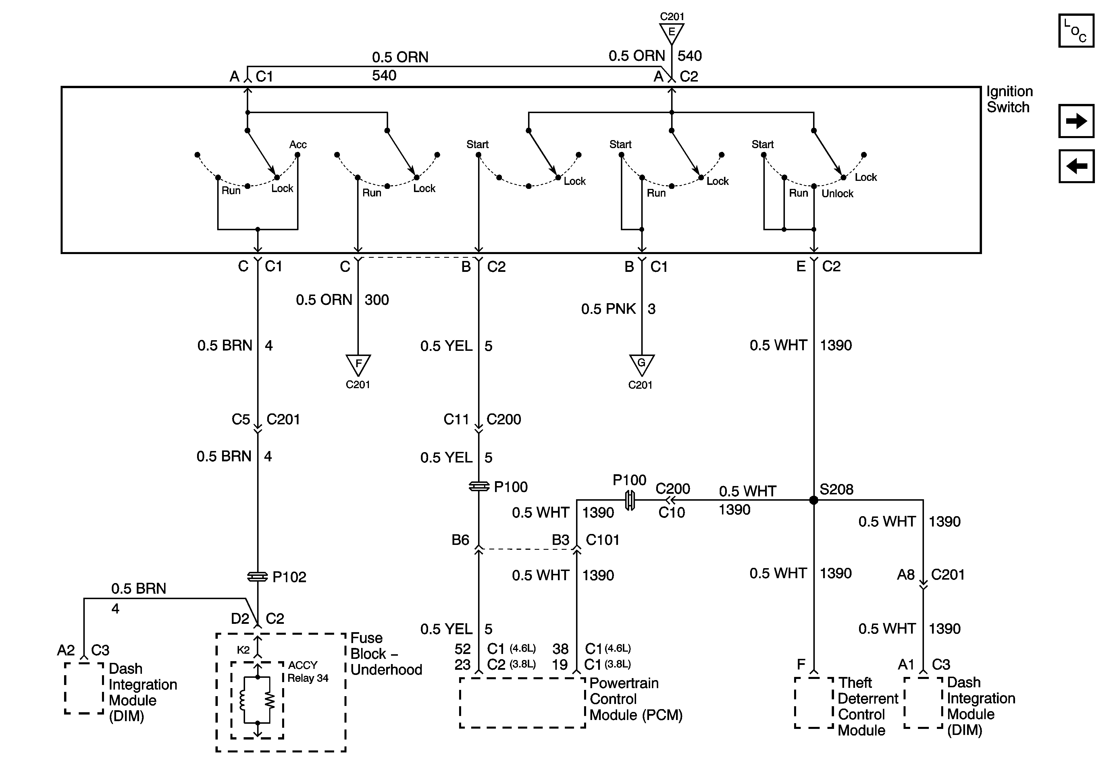
🢒 Ignition Switch Positions
Ignition Switch Positions
Ignition Switch Positions
Master Electrical Component List
Ignition Switch RUN and START/RUN Positions
IGN SW and PRK/REV Fuses
IGN SW and PRK/REV Fuses
Ignition Switch RUN and START/RUN Positions
Ignition Switch RUN and START/RUN Positions