GM Service Manual Online
For 1990-2009 cars only
Makes
🢒
Pontiac
🢒
2005
🢒
Wave
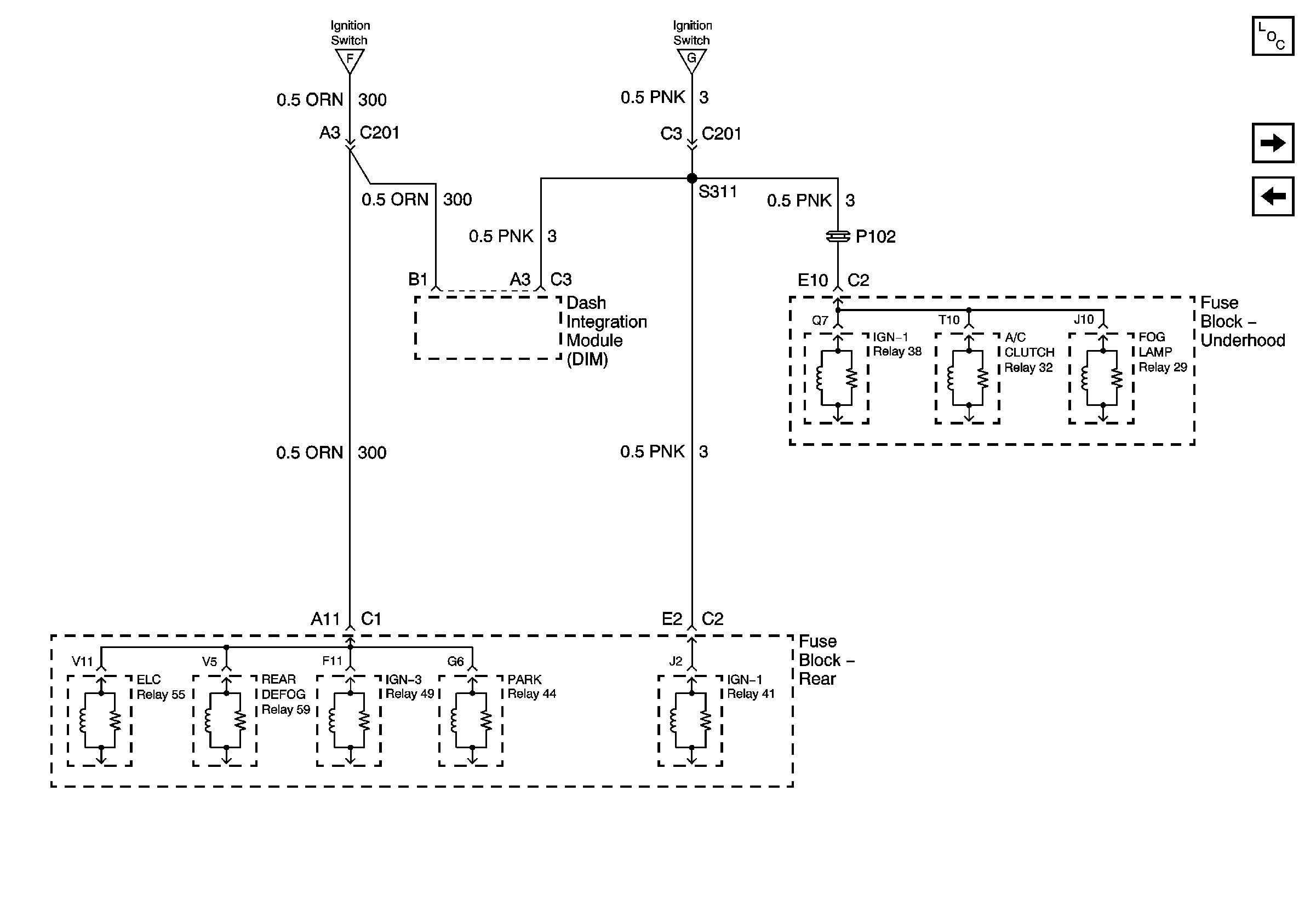
🢒 Ignition Switch RUN and START/RUN Positions
Ignition Switch RUN and START/RUN Positions
Ignition Switch RUN and START/RUN Positions
Master Electrical Component List
IGN-1, VENT SOL, and SIR Fuses
Ignition Switch Positions
Ignition Switch Positions
Ignition Switch Positions