GM Service Manual Online
For 1990-2009 cars only
Makes
🢒
Pontiac
🢒
2005
🢒
Wave
🢒 Engine Data Sensors 5 Volt and Low Reference
Engine Data Sensors 5 Volt and Low Reference
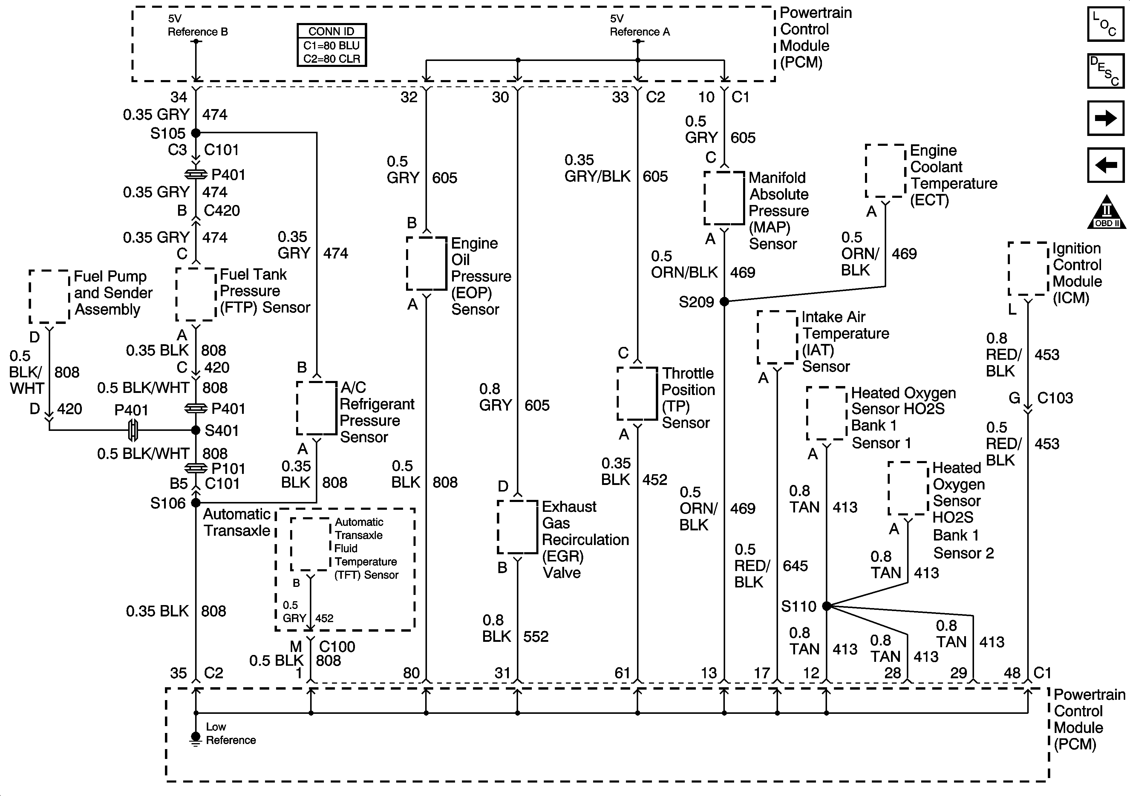
Engine Data Sensors - 5-Volt and Low Reference
Master Electrical Component List
Powertrain Control Module Description
Engine Data Sensors Pressure, and Temperature
PCM Power, Ground, Serial Data and MIL
OBD II Symbol Description Notice