GM Service Manual Online
For 1990-2009 cars only
Makes
🢒
Pontiac
🢒
2005
🢒
Wave
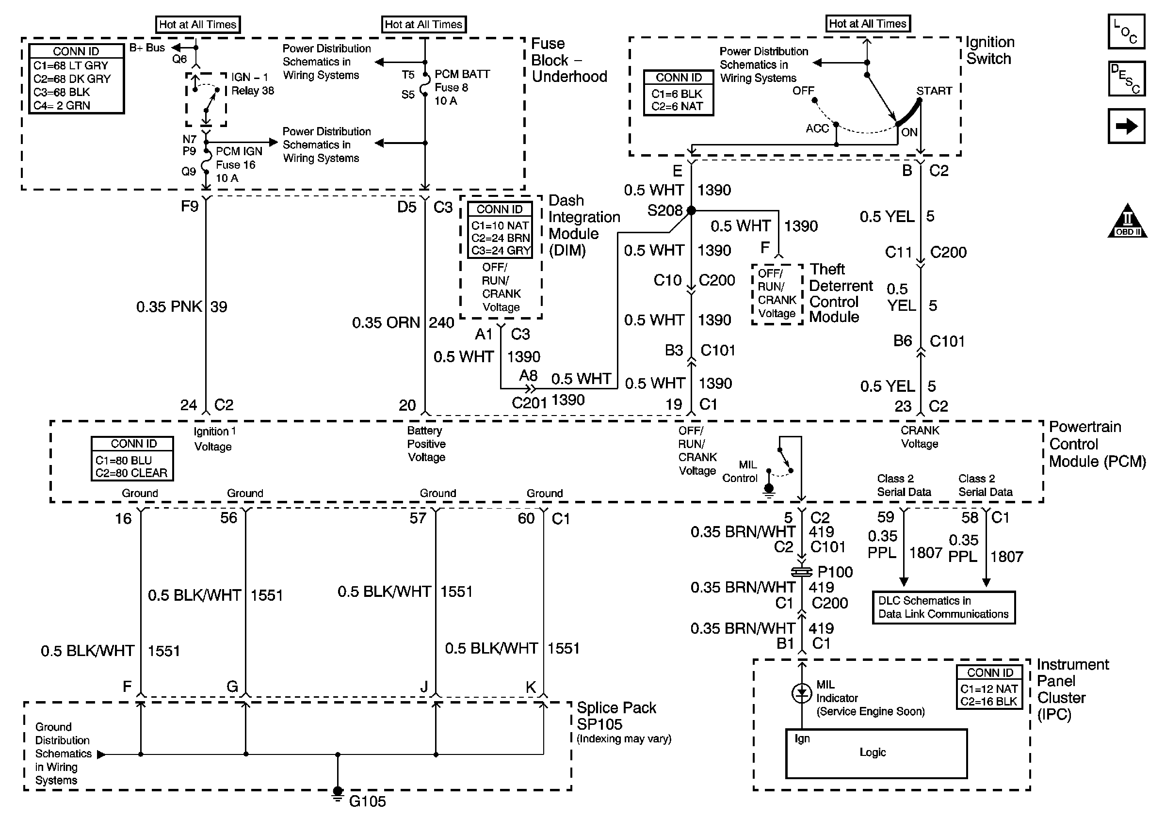
🢒 PCM Power, Ground, Serial Data and MIL
PCM Power, Ground, Serial Data and MIL
PCM Power, Ground, Serial Data and MIL
Master Electrical Component List
Powertrain Control Module Description
Engine Data Sensors 5 Volt and Low Reference
OBD II Symbol Description Notice
ABS, PCM BATT, and COOLFAN 1 Fuses - 3.8L
Ignition Switch Positions
INJR 2, PCM IGN, CR CONT, and INJR 1 Fuses - 3.8L
G104 and G105 - 3.8L
Serial Data Class 2