GM Service Manual Online
For 1990-2009 cars only
Makes
🢒
Pontiac
🢒
2005
🢒
Wave
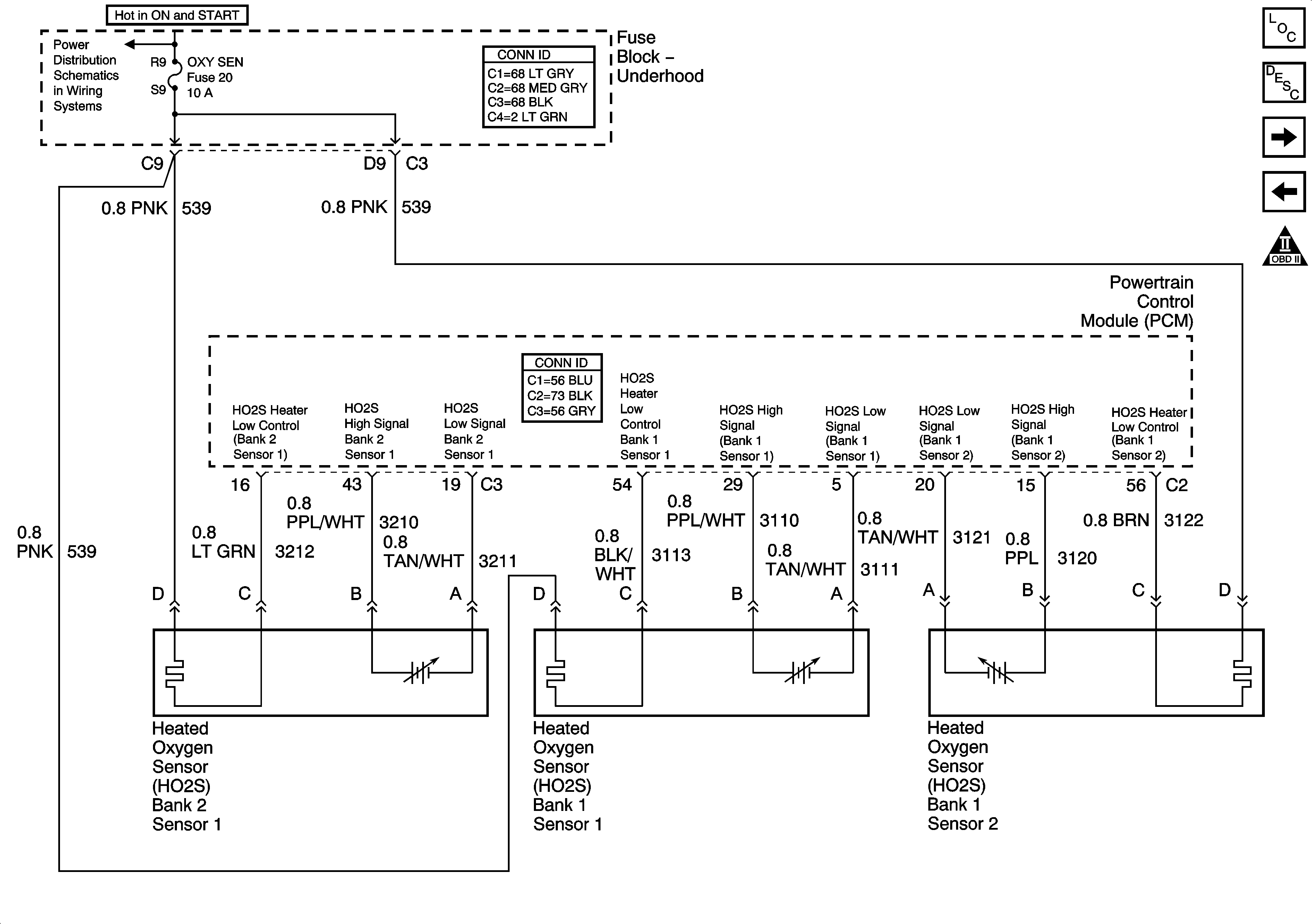
🢒 HO2S Sensors
HO2S Sensors
HO2S Sensors
Master Electrical Component List
Powertrain Control Module Description
Ignition System - Bank 1
MAF, VSS, and Extended Travel Switch Sensors
OBD II Symbol Description Notice
TRANS, DIS, OXY SEN, and IGN 1 Fuses - 3.8L