GM Service Manual Online
For 1990-2009 cars only
Makes
🢒
Pontiac
🢒
2005
🢒
Wave
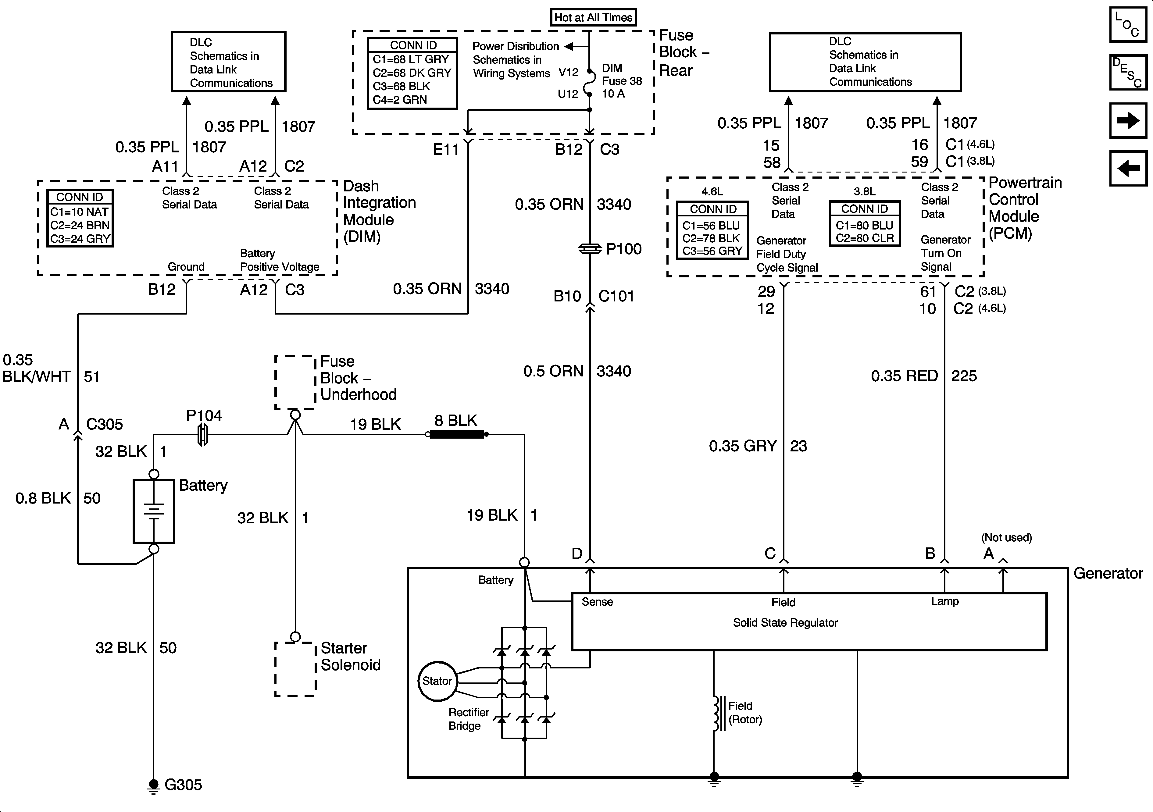
🢒 Generator Control
Generator Control
Generator Control
Master Electrical Component List
Charging System Description and Operation
Indicators
Starting Control
Serial Data Class 2
HTDST RF, HTDST LF, DIM, and MEM Fuses
Serial Data Class 2