GM Service Manual Online
For 1990-2009 cars only
Makes
🢒
Pontiac
🢒
2005
🢒
Wave
🢒 Power and Ground - 3.8L
Power and Ground - 3.8L
Power and Ground - 3.8L
Master Electrical Component List
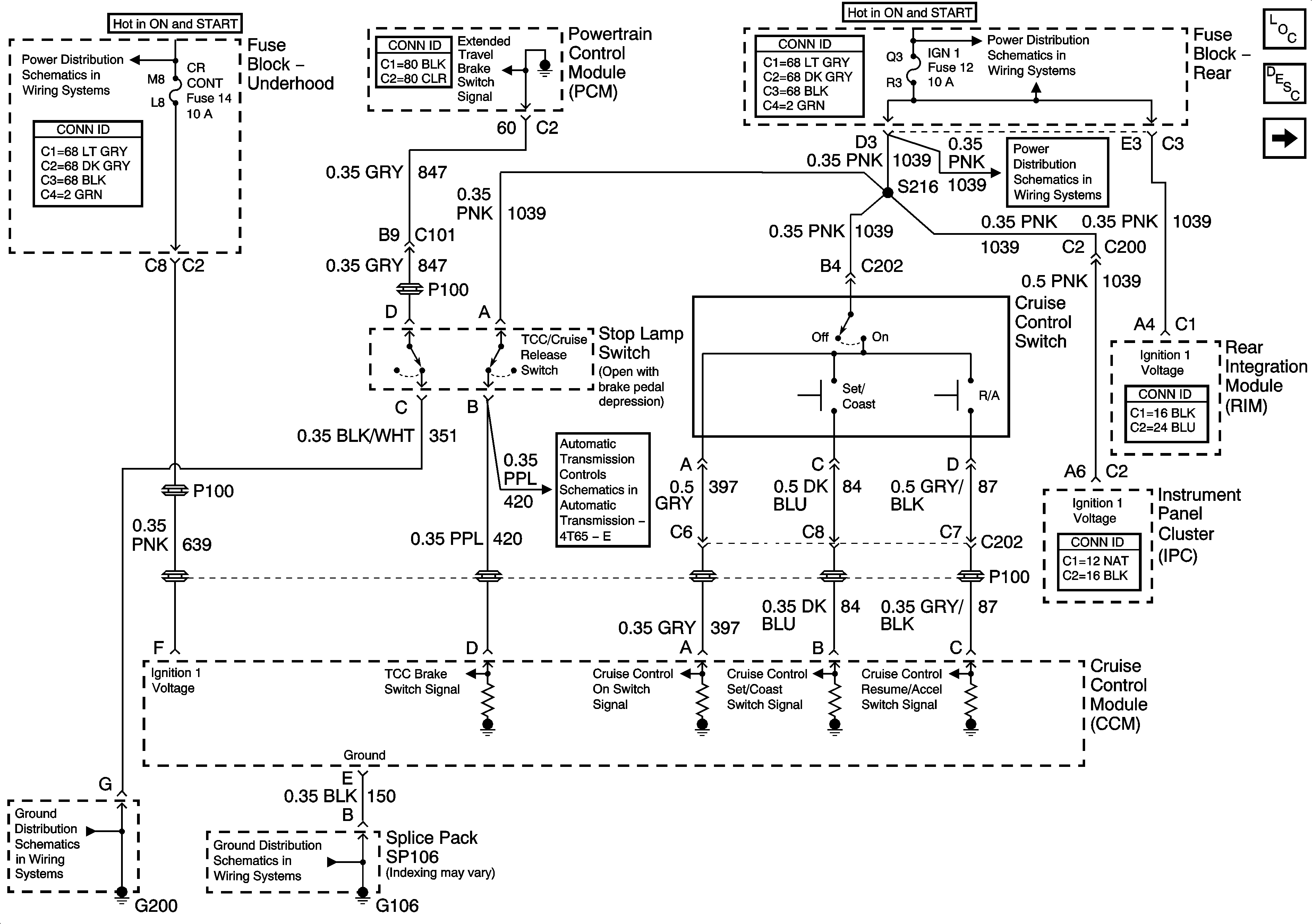
Cruise Control Description and Operation
Power, and Ground - 4.6L
INJR 2, PCM IGN, CR CONT, and INJR 1 Fuses - 3.8L
IGN-1, VENT SOL, and SIR Fuses
IGN-1, VENT SOL, and SIR Fuses
Stop Lamp Switch and Transaxle Solenoids
G200
G101, G102, G106, and G107