GM Service Manual Online
For 1990-2009 cars only
Makes
🢒
Pontiac
🢒
2005
🢒
Wave
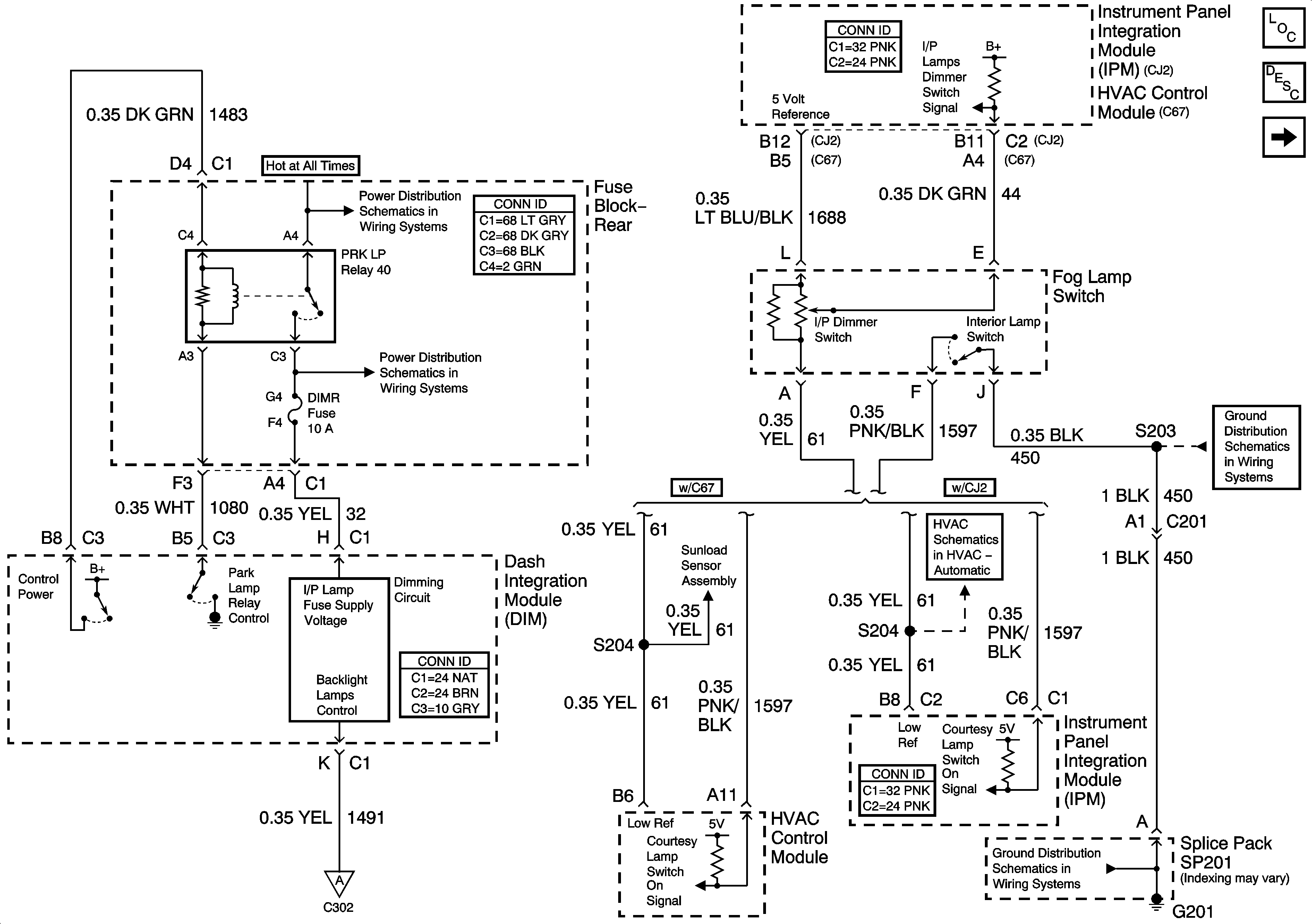
🢒 Dimming Control
Dimming Control
Dimming Control
Master Electrical Component List
Interior Lighting Systems Description and Operation
I/P and Console Dimming
Rear Fuse Block B+ Bus
LP PKL, LP PKR, and DIMR Fuses
Temperature Sensors
G201 - 1 of 2
I/P and Console Dimming
G201 - 1 of 2