GM Service Manual Online
For 1990-2009 cars only
Makes
🢒
Pontiac
🢒
2005
🢒
Wave
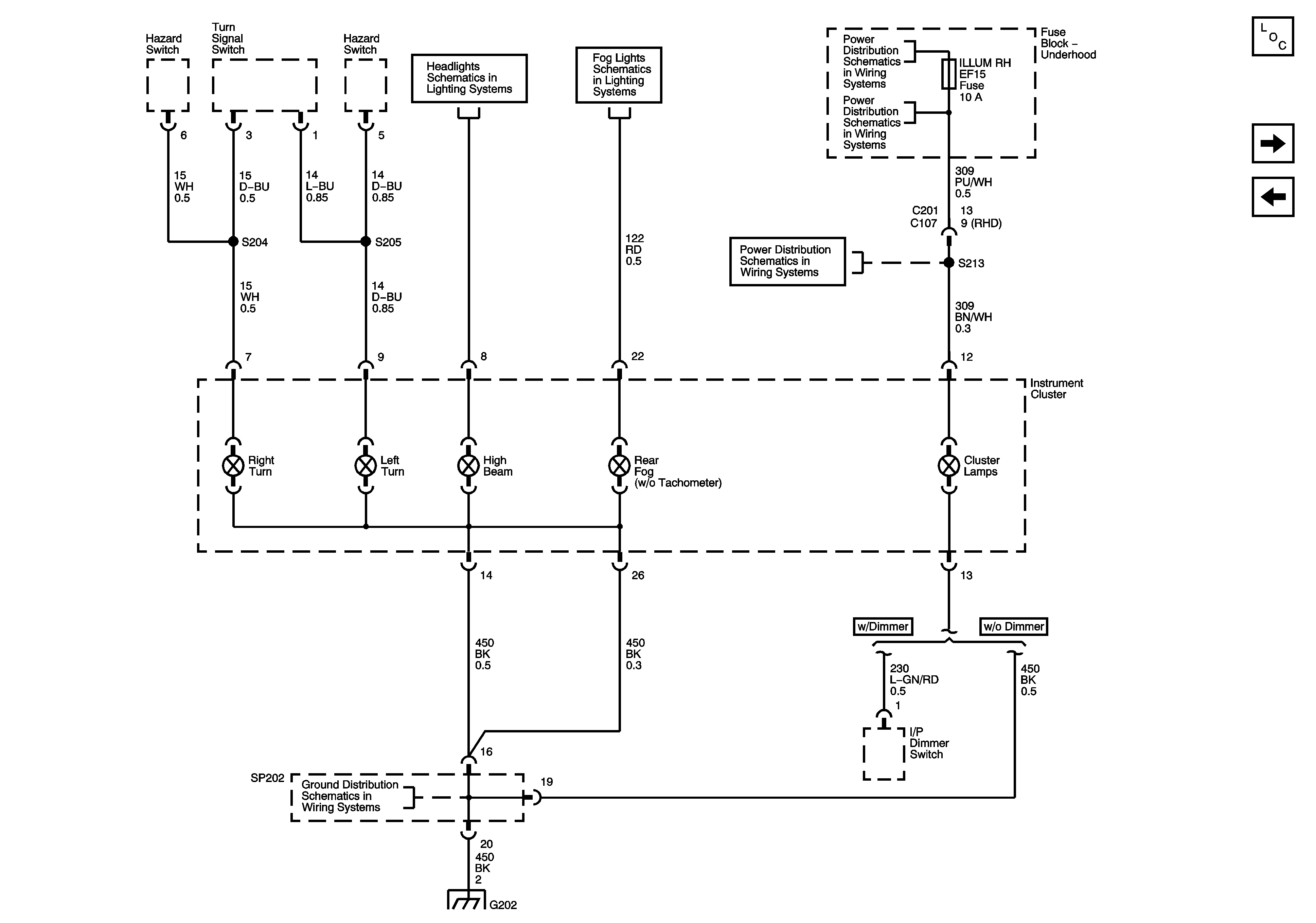
🢒 Indicator Lamps and Illumination
Indicator Lamps and Illumination
Indicator Lamps and Illumination
Master Electrical Component List
Warning Indicators w/o Tachometer
Instrument Panel Gages (1.4L/1.6L)
Headlamps
Fog Lamps
Underhood Fuse Block - Battery Feeds
Underhood Fuse Block - Battery Feeds
G201, G202 - 3 of 3
G201, G202 - 3 of 3