GM Service Manual Online
For 1990-2009 cars only
Makes
🢒
Pontiac
🢒
2005
🢒
Wave
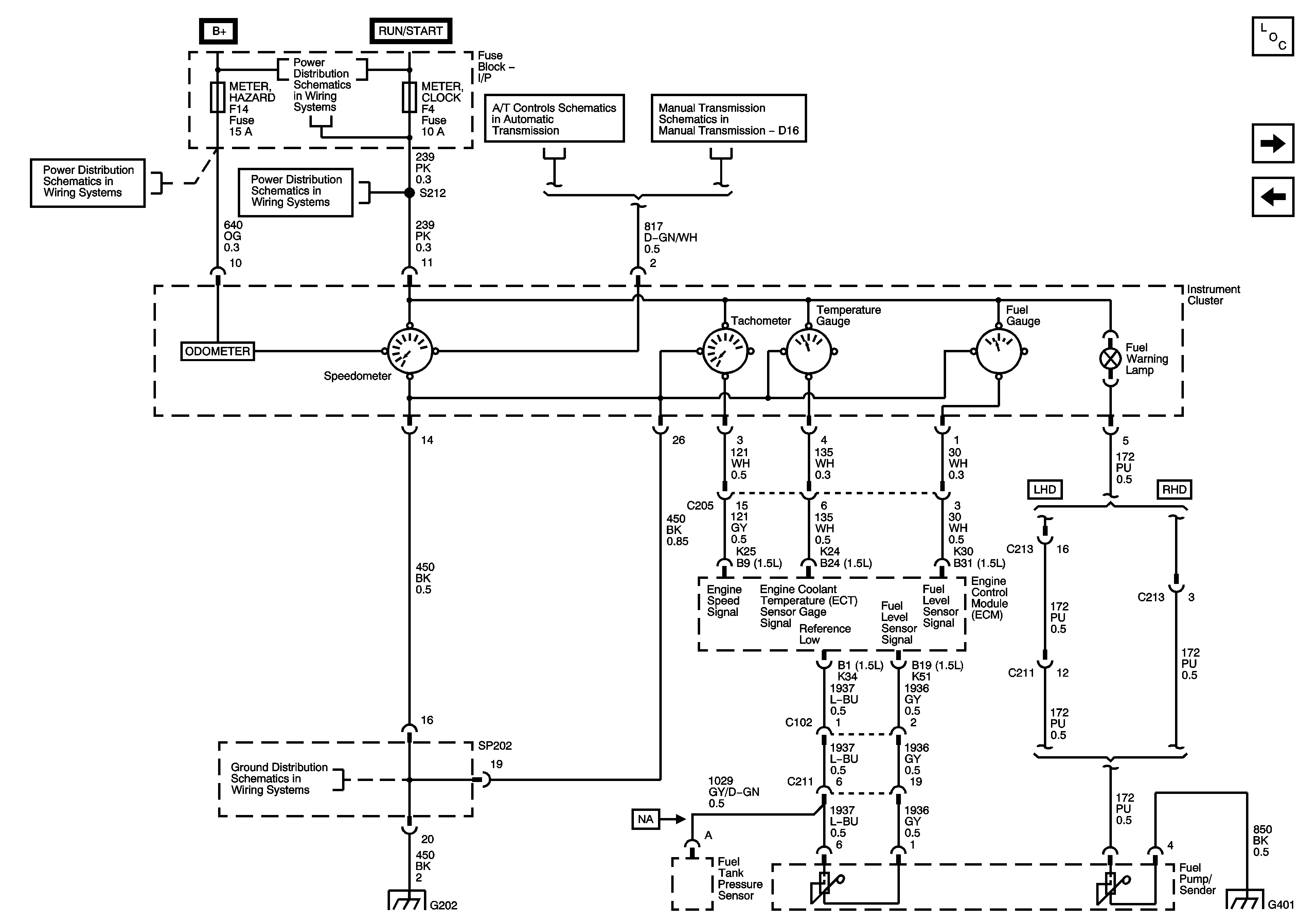
🢒 Instrument Panel Gages (1.4L/1.6L)
Instrument Panel Gages (1.4L/1.6L)
Instrument Panel Gages 1.4L, 1.5L, 1.6L
Master Electrical Component List
Indicator Lamps and Illumination
Gages - 1.2L
Underhood Fuse Block - I/P Fuses, I/P Fuse Block - HORN, STOPLAMP, METER HAZARD, DOOR LOCK RKE, ECM, TCM, and CLOCK AUDIO Fuses
Underhood Fuse Block - I/P Fuses, I/P Fuse Block - HORN, STOPLAMP, METER HAZARD, DOOR LOCK RKE, ECM, TCM, and CLOCK AUDIO Fuses
Underhood Fuse Block - IGN 1 Fuse, Ignition Switch, I/P Fuse Block - CIGAR JACK, AUDIO CLOCK, METER CLOCK, TSIG, BACKUP LAMP, and AIR BAG Fuses
Underhood Fuse Block - IGN 1 Fuse, Ignition Switch, I/P Fuse Block - CIGAR JACK, AUDIO CLOCK, METER CLOCK, TSIG, BACKUP LAMP, and AIR BAG Fuses
Module Power, Ground, Malfunction Indicator Lamp (MIF), Hold Lamp and Serial Data
Manual Transmission
G201, G202 - 3 of 3
G201, G202 - 3 of 3
G401 - Notchback