GM Service Manual Online
For 1990-2009 cars only
Makes
🢒
Pontiac
🢒
2005
🢒
Wave
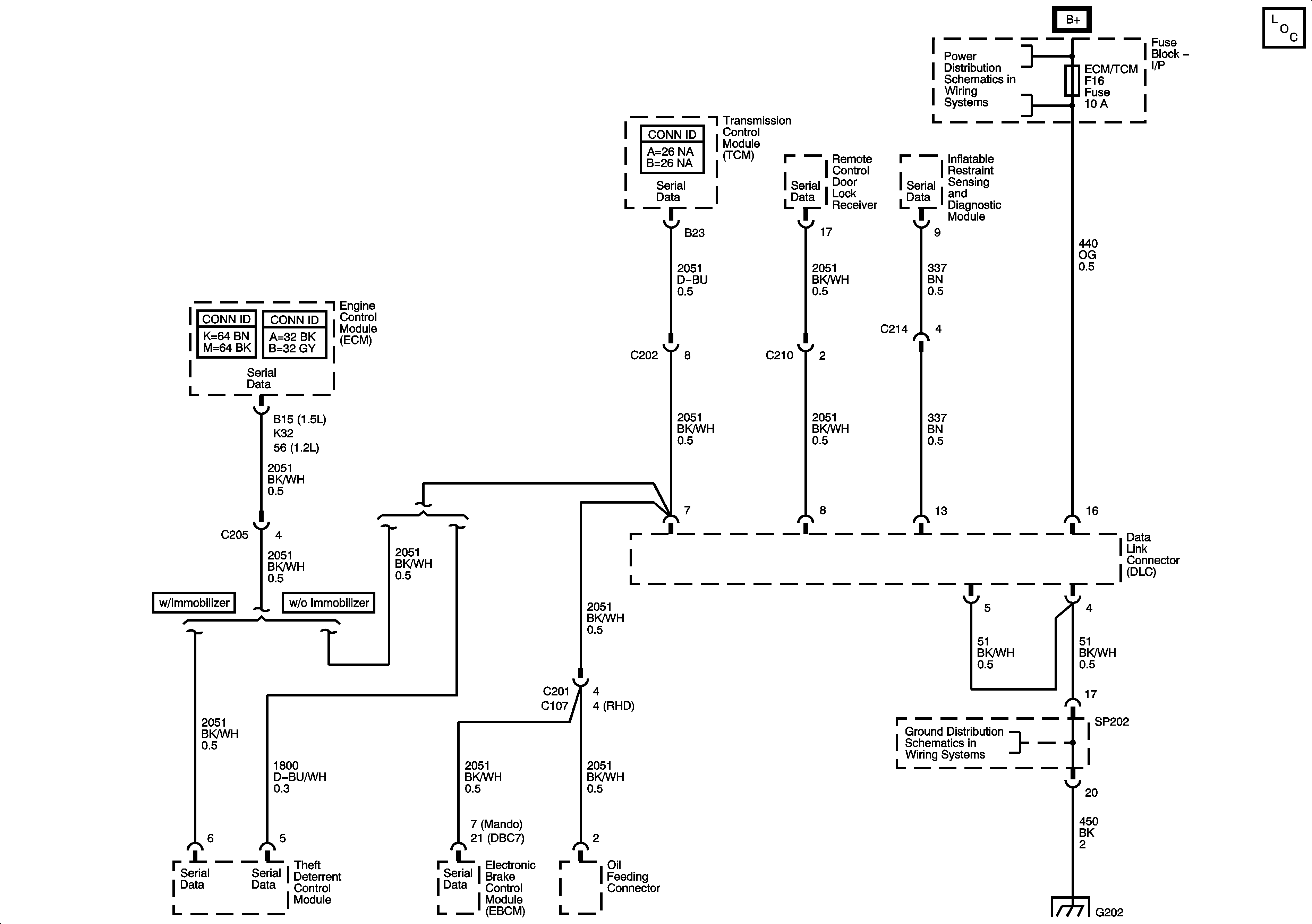
🢒 DLC - 1.4L, 1.5L, 1l6L
DLC - 1.4L, 1.5L, 1l6L
DLC - 1.4L, 1.5L, 1.6L
Master Electrical Component List
Underhood Fuse Block - IGN 2 Fuse, Ignition Switch, I/P Fuse Block - DIS INJECTOR, ECM TCM, WIPER WASHER, and HVAC BLOWER Fuses
G201, G202 - 3 of 3
G201, G202 - 3 of 3