GM Service Manual Online
For 1990-2009 cars only

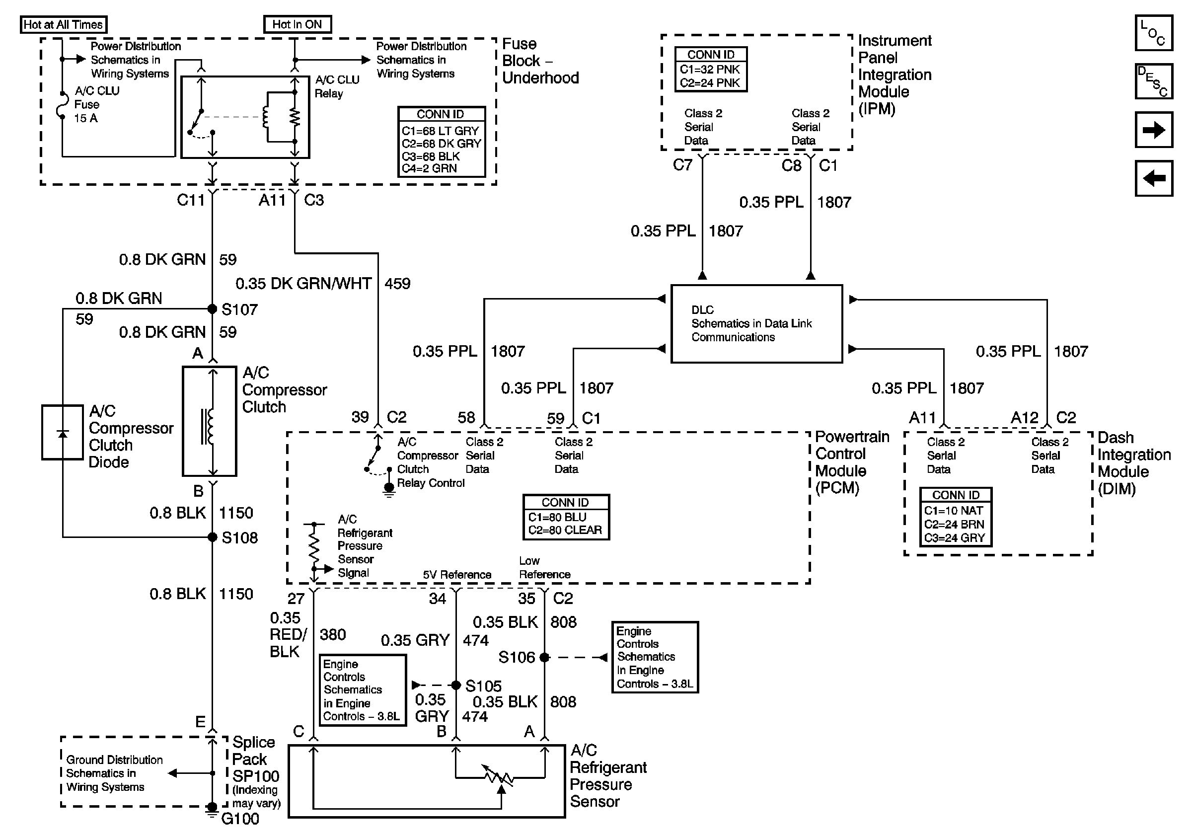
Compressor Controls w/CJ2

Compressor Controls w/CJ2


Object Number: 766085  Size: FS
Master Electrical Component List
Battery Feed to the Fuse Block Underhood
G100 and G102
Start, Horn, A/C CLU Fuses and Relays (Fuse Block Underhood)
Engine Data Sensors - Pressure and Temperature
Engine Data Sensors - Pressure and Temperature
Air Delivery w/CJ2
HVAC Control w/CJ2