GM Service Manual Online
For 1990-2009 cars only
Makes
🢒
Pontiac
🢒
2005
🢒
Wave
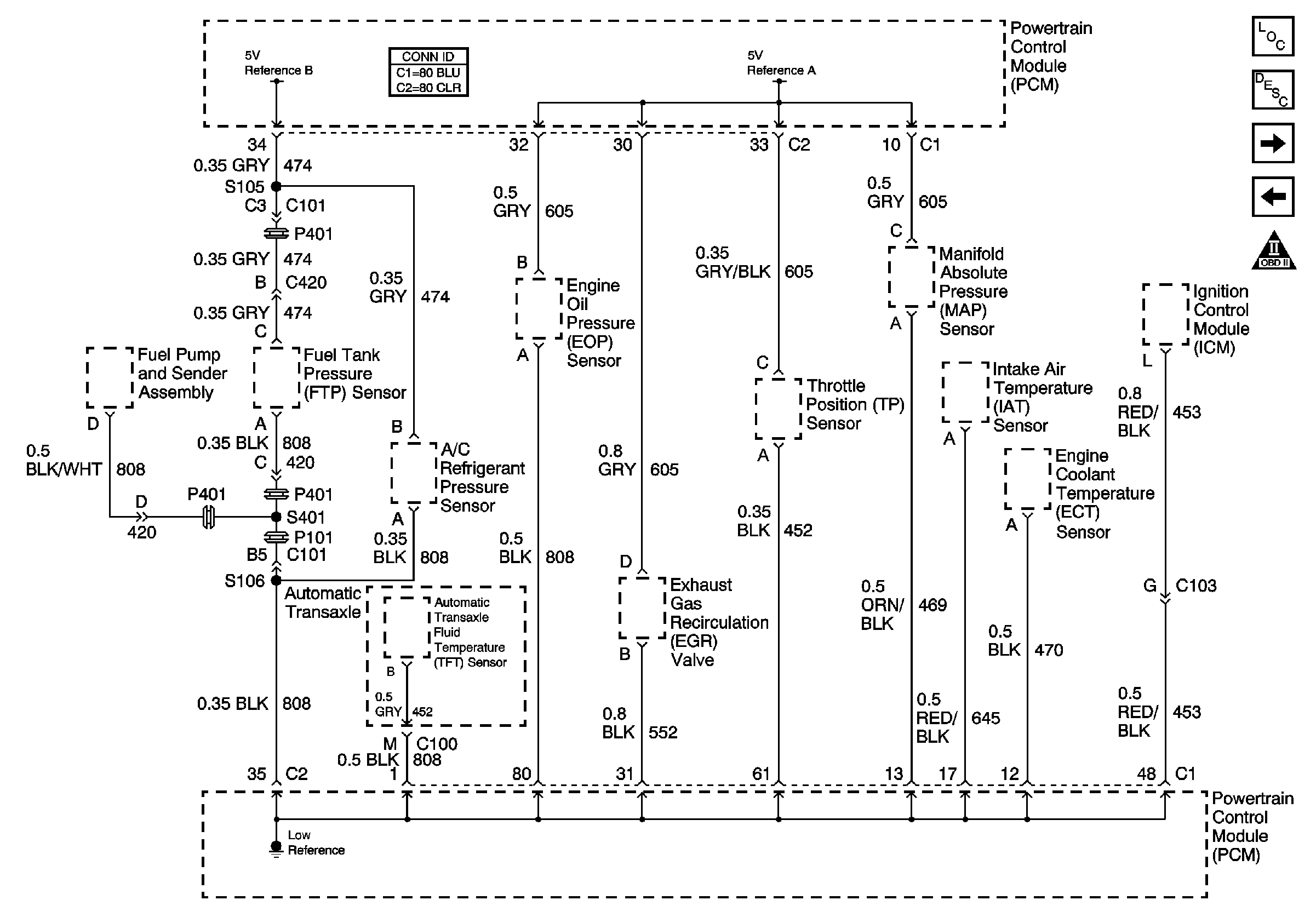
🢒 Engine Data Sensors - 5 Volt and Low Reference
Engine Data Sensors - 5 Volt and Low Reference
Engine Data Sensors - 5 Volt and Low Reference
Master Electrical Component List
Engine Data Sensors - Pressure and Temperature
PCM Power, Ground, Serial Data and MIL
OBD II Symbol Description Notice