GM Service Manual Online
For 1990-2009 cars only
Makes
🢒
Pontiac
🢒
2005
🢒
Wave
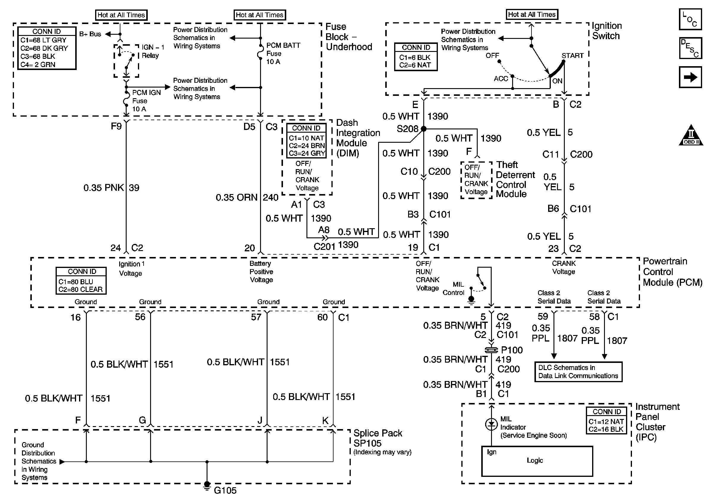
🢒 PCM Power, Ground, Serial Data and MIL
PCM Power, Ground, Serial Data and MIL
PCM Power, Ground, Serial Data and MIL
Battery Feed to the Fuse Block Underhood
ABS, PCM BATT Fuses and the Cool Fan 1 Relay (Fuse Block Underhood)
G104 and G105
Master Electrical Component List
Engine Data Sensors - 5 Volt and Low Reference
Serial Data Class 2