GM Service Manual Online
For 1990-2009 cars only
Makes
🢒
Pontiac
🢒
2005
🢒
Wave
🢒 Generator Control
Generator Control
Generator Control
Master Electrical Component List
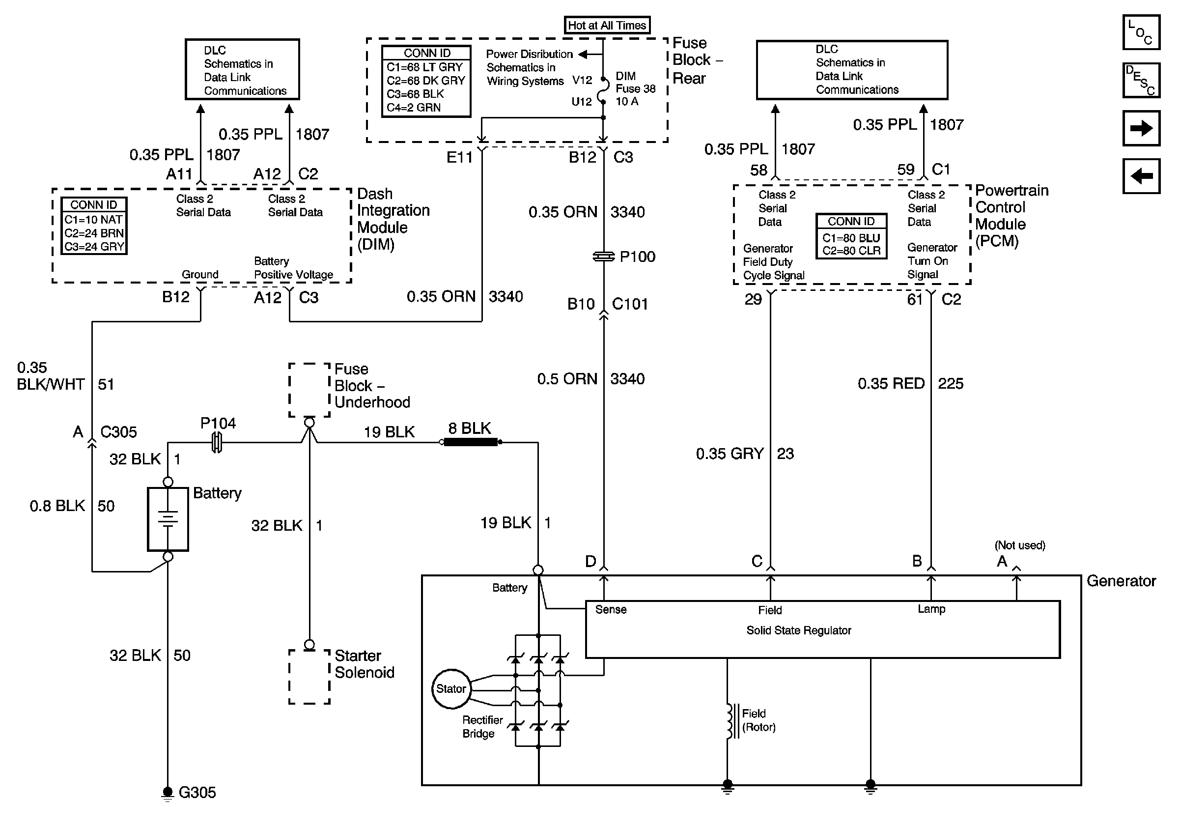
Charging System Description and Operation
Serial Data Class 2
HTDST RF, HTDST LF, DIM, and Mem Fuses (Fuse Block Rear)
Serial Data Class 2
Indicators
Starting Control