GM Service Manual Online
For 1990-2009 cars only
Makes
🢒
Pontiac
🢒
2005
🢒
Wave
🢒 Starting Control
Starting Control
Starting Control
Master Electrical Component List
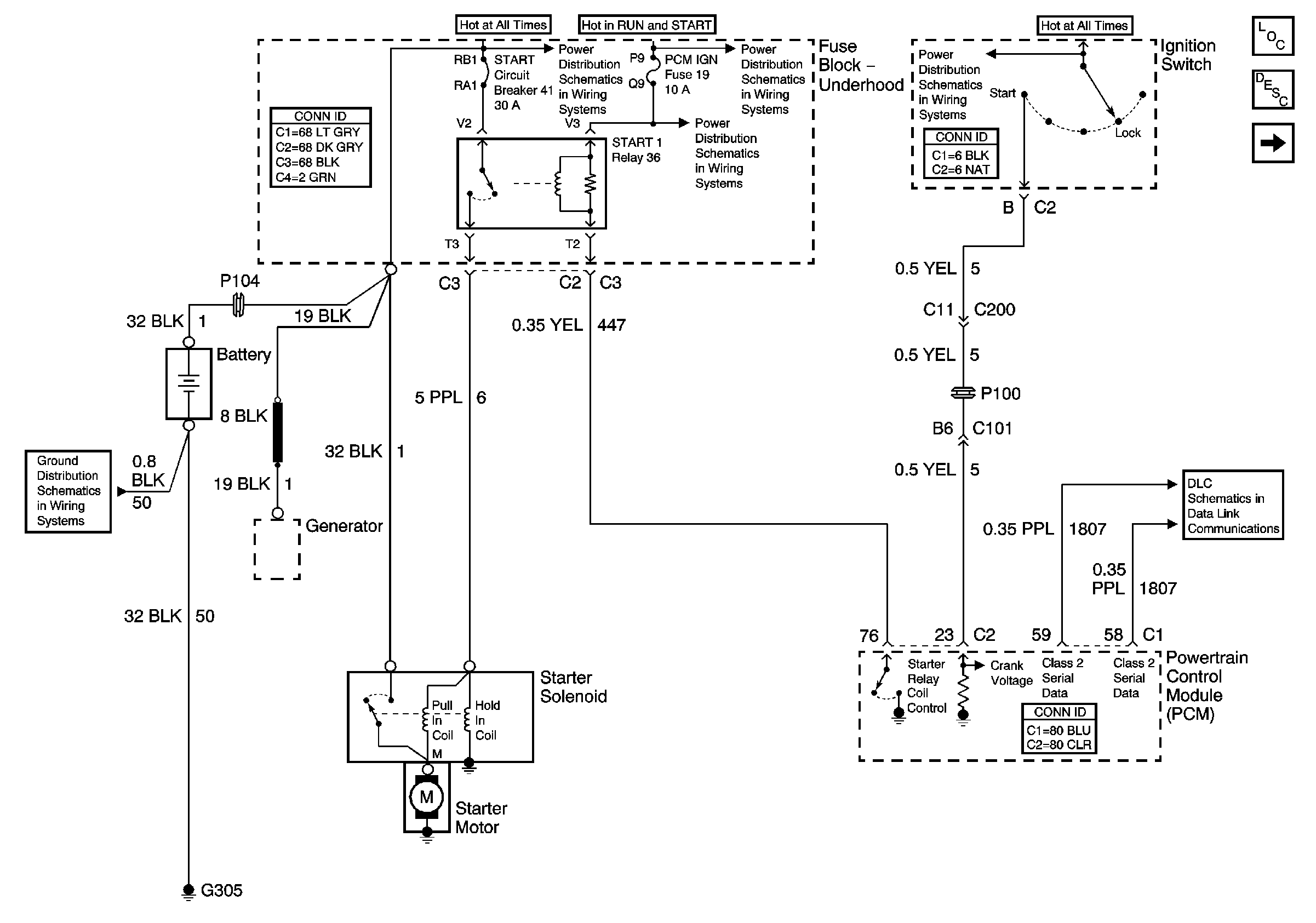
Starting System Description and Operation
G303, G305, G310, and G404
Start, Horn, A/C CLU Fuses and Relays (Fuse Block Underhood)
TRANS, DIS, OXY SEN, IGN 1 Fuses and the IGN-1 and AIR Pump Relays(Fuse Block Underhood)
TRANS, DIS, OXY SEN, IGN 1 Fuses and the IGN-1 and AIR Pump Relays(Fuse Block Underhood)
Ignition Switch Positions
Serial Data Class 2
Generator Control