GM Service Manual Online
For 1990-2009 cars only
Makes
🢒
Pontiac
🢒
2007
🢒
Wave
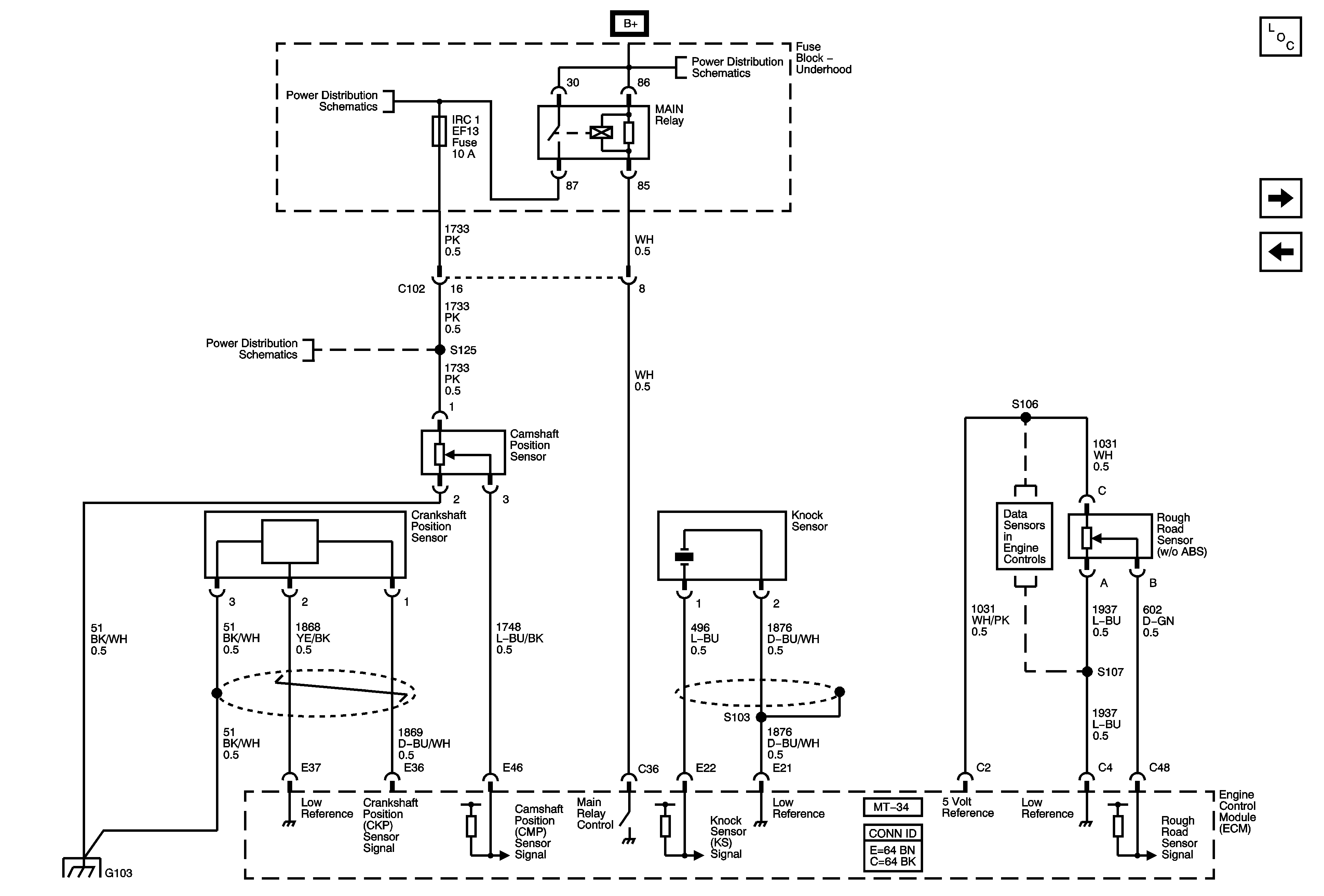
🢒 Engine Controls Ignition System Sensors
Engine Controls Ignition System Sensors
Engine Controls Ignition Sensors
Master Electrical Component List
Engine Controls Fuel Pump and Fuel Injectors
Engine Controls Ignition System
OBD II Symbol Description Notice
Power Distribution - Battery Feed
Power Distribution - Battery Feed
Power Distribution - Battery Feed
Engine Controls EVAP Controls