GM Service Manual Online
For 1990-2009 cars only
Makes
🢒
Pontiac
🢒
2007
🢒
Wave
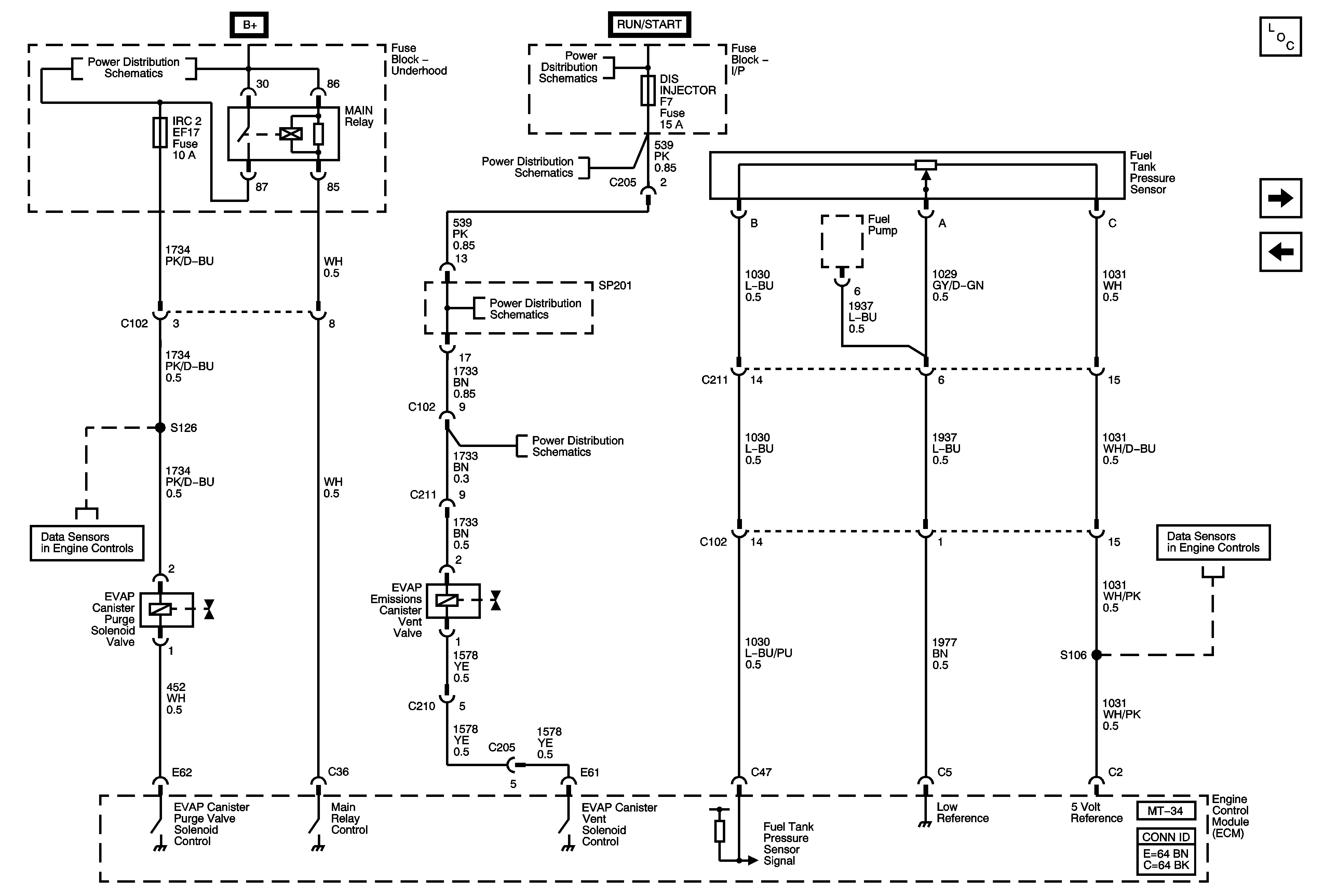
🢒 Engine Controls EVAP Controls
Engine Controls EVAP Controls
Engine Controls EVAP Controls
Master Electrical Component List
Intake Manifold Tuning (IMT) Valve, Exhaust Gas Recirculation (EGR) Valve
Engine Controls Fuel Pump and Fuel Injectors
OBD II Symbol Description Notice
Power Distribution - Battery Feed
Power Distribution - Battery Feed
Power Distribution - Battery Feed
Power Distribution - Battery Feed
Power Distribution - Battery Feed
Engine Controls Oxygen Sensors
Engine Controls Ignition System Sensors