GM Service Manual Online
For 1990-2009 cars only
Makes
🢒
Pontiac
🢒
2007
🢒
Wave
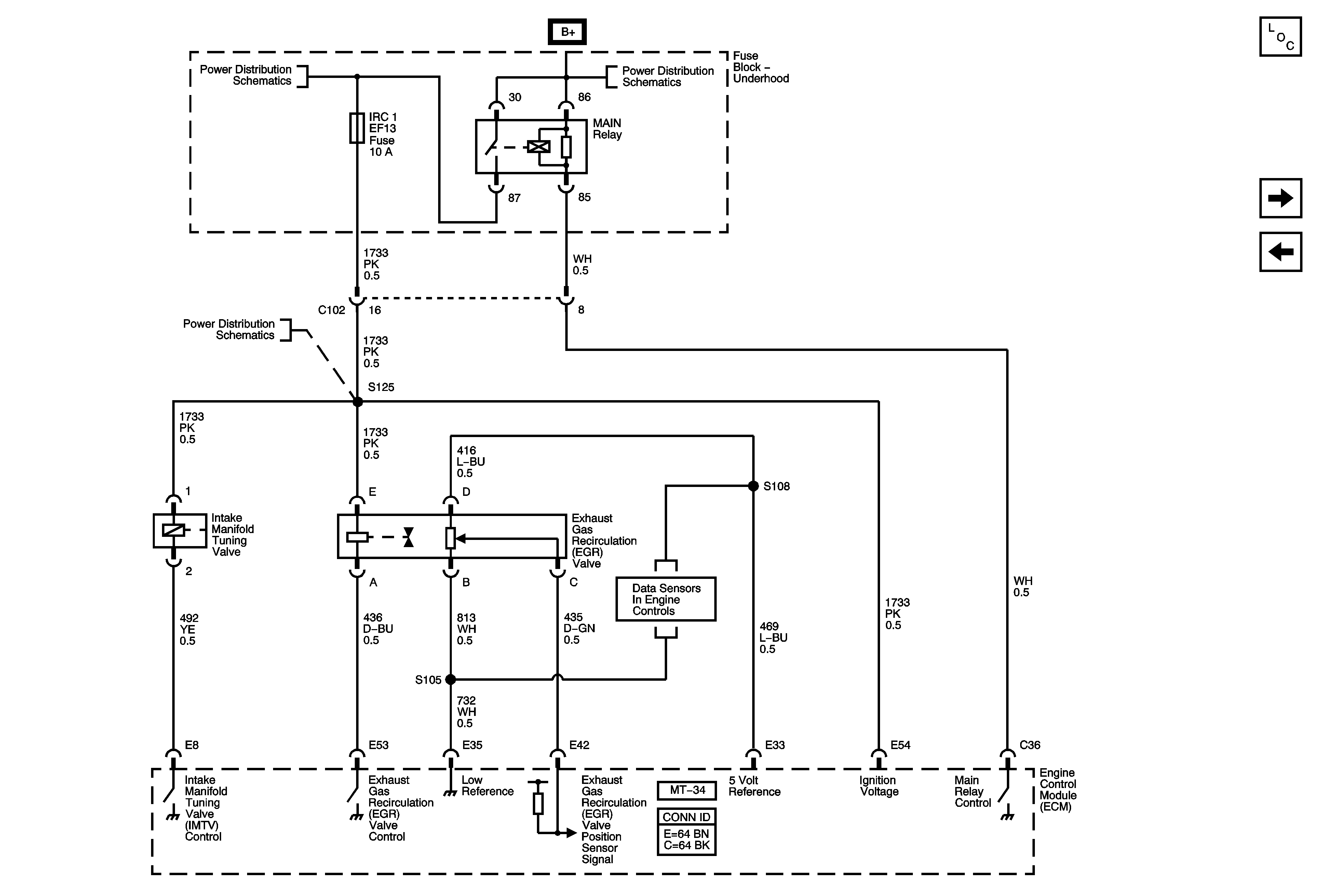
🢒 Intake Manifold Tuning (IMT) Valve, Exhaust Gas Recirculation (EGR) Valve
Intake Manifold Tuning (IMT) Valve, Exhaust Gas Recirculation (EGR) Valve
Engine Controls Intake, Exhaust Valves
Master Electrical Component List
Engine Controls Subsystem References
Engine Controls EVAP Controls
OBD II Symbol Description Notice
Power Distribution - Battery Feed
Power Distribution - Battery Feed
Power Distribution - Battery Feed
Engine Controls Data Sensors