GM Service Manual Online
For 1990-2009 cars only
Makes
🢒
Pontiac
🢒
2007
🢒
Wave
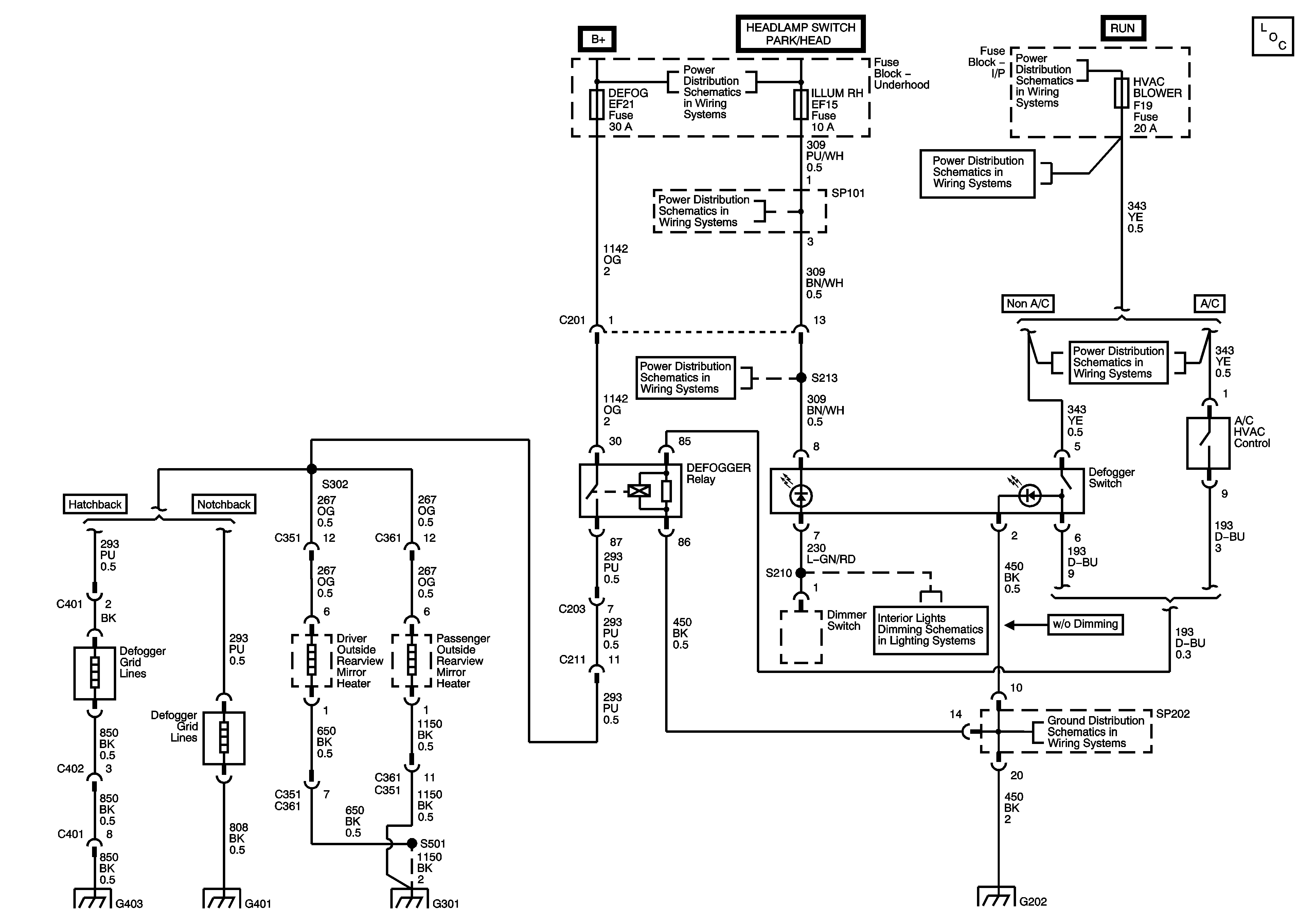
🢒 06 S Car Aveo Figure for Graphic 1680401
06 S Car Aveo Figure for Graphic 1680401
Master Electrical Component List
Power Distribution - Battery Feed
Power Distribution - Battery Feed
Power Distribution - Battery Feed
Power Distribution - Battery Feed
Power Distribution - Battery Feed
Power Distribution - Battery Feed
Interior Lts Dimm - w/Dimmer
Ground Distribution - G101, G102, G105
Ground Distribution - G401 Hatchback, G901
Ground Distribution - G401 Notchback
Ground Distribution - G301
Ground Distribution - G202 1of3