GM Service Manual Online
For 1990-2009 cars only
Makes
🢒
Pontiac
🢒
2007
🢒
Wave
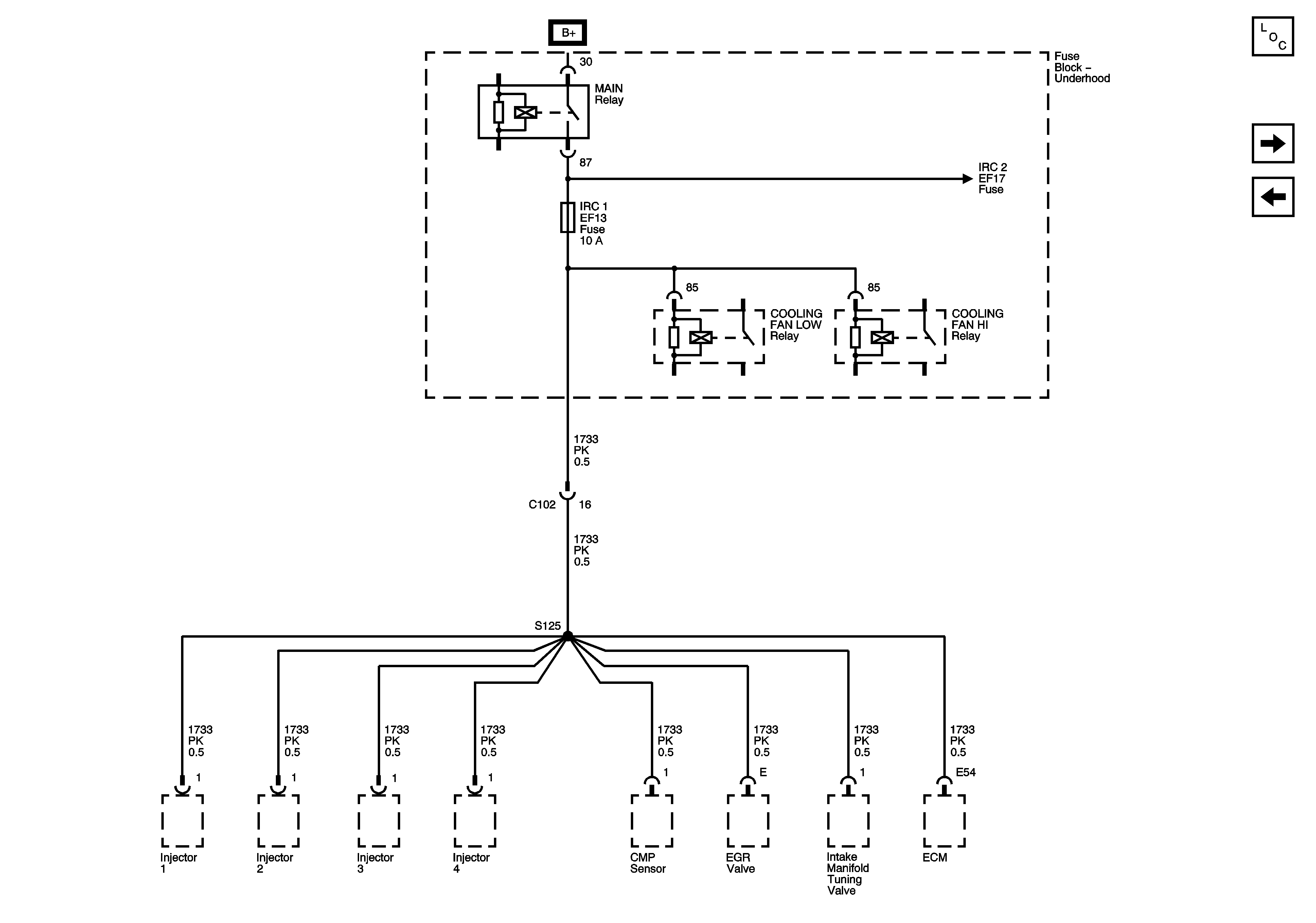
🢒 Power Distribution - Fuse EF13
Power Distribution - Fuse EF13
Fuse EF13
Master Electrical Component List
Power Distribution - Fuse EF17
Power Distribution - Fuses EF1, 2, 3, 10 and MAIN Relay