GM Service Manual Online
For 1990-2009 cars only
Makes
🢒
Pontiac
🢒
2007
🢒
Wave
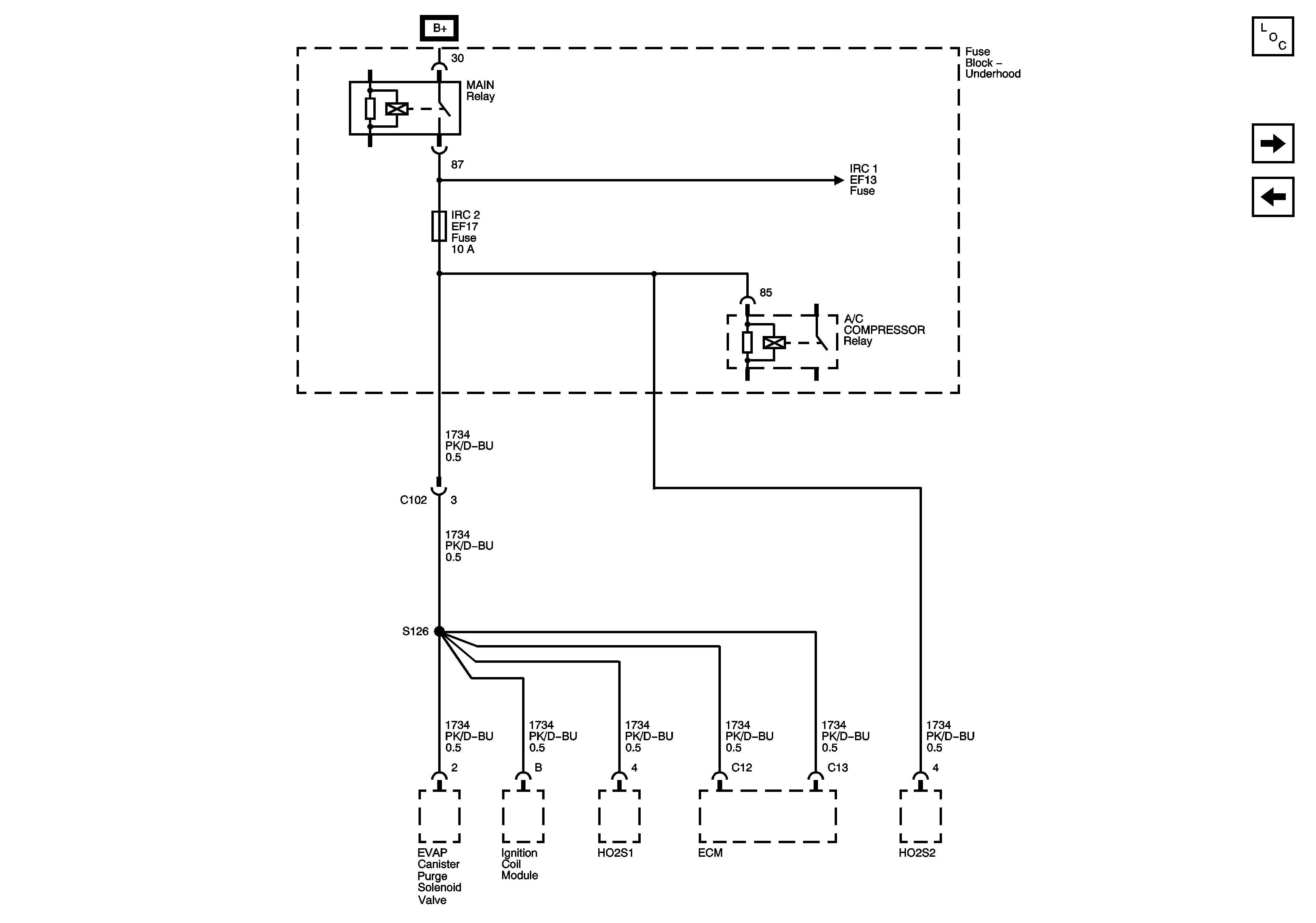
🢒 Power Distribution - Fuse EF17
Power Distribution - Fuse EF17
Fuse EF17
Master Electrical Component List
Power Distribution - Fuse EF20, Illum Relay
Power Distribution - Fuse EF13