GM Service Manual Online
For 1990-2009 cars only
Makes
🢒
Pontiac
🢒
2007
🢒
Wave
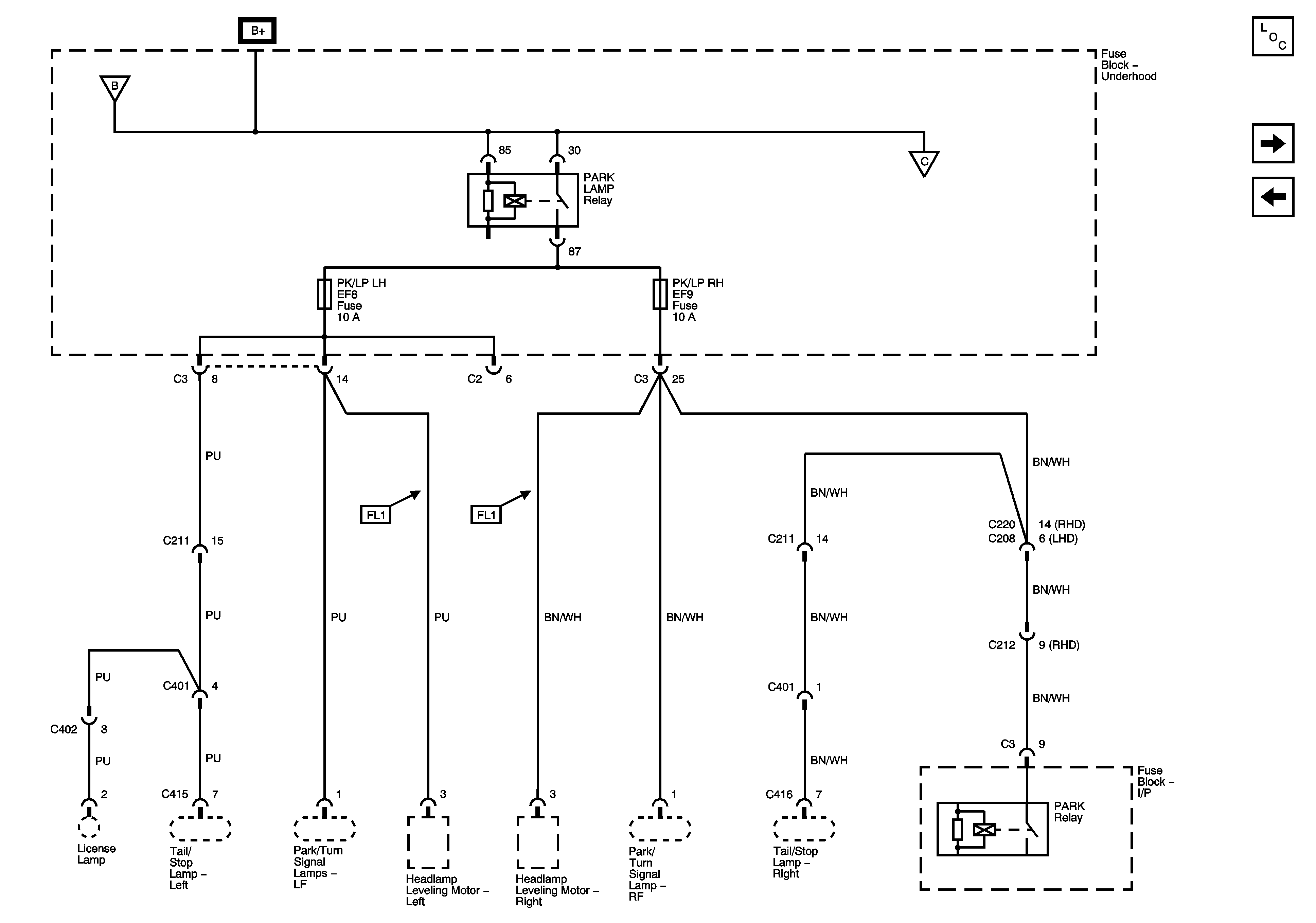
🢒 PK/LP Relay and Fuses
PK/LP Relay and Fuses
Park Lamp Relay and Fuses
Master Electrical Component List (Notchback)
Headlamp, Fog Lamp Relays and Fuses, BATT Fuse
FAN LOW, FAN HI, A/C COMP, P/WINDOW Relays and Fuses
FAN LOW, FAN HI, A/C COMP, P/WINDOW Relays and Fuses
Headlamp, Fog Lamp Relays and Fuses, BATT Fuse