GM Service Manual Online
For 1990-2009 cars only
Makes
🢒
Pontiac
🢒
2007
🢒
Wave
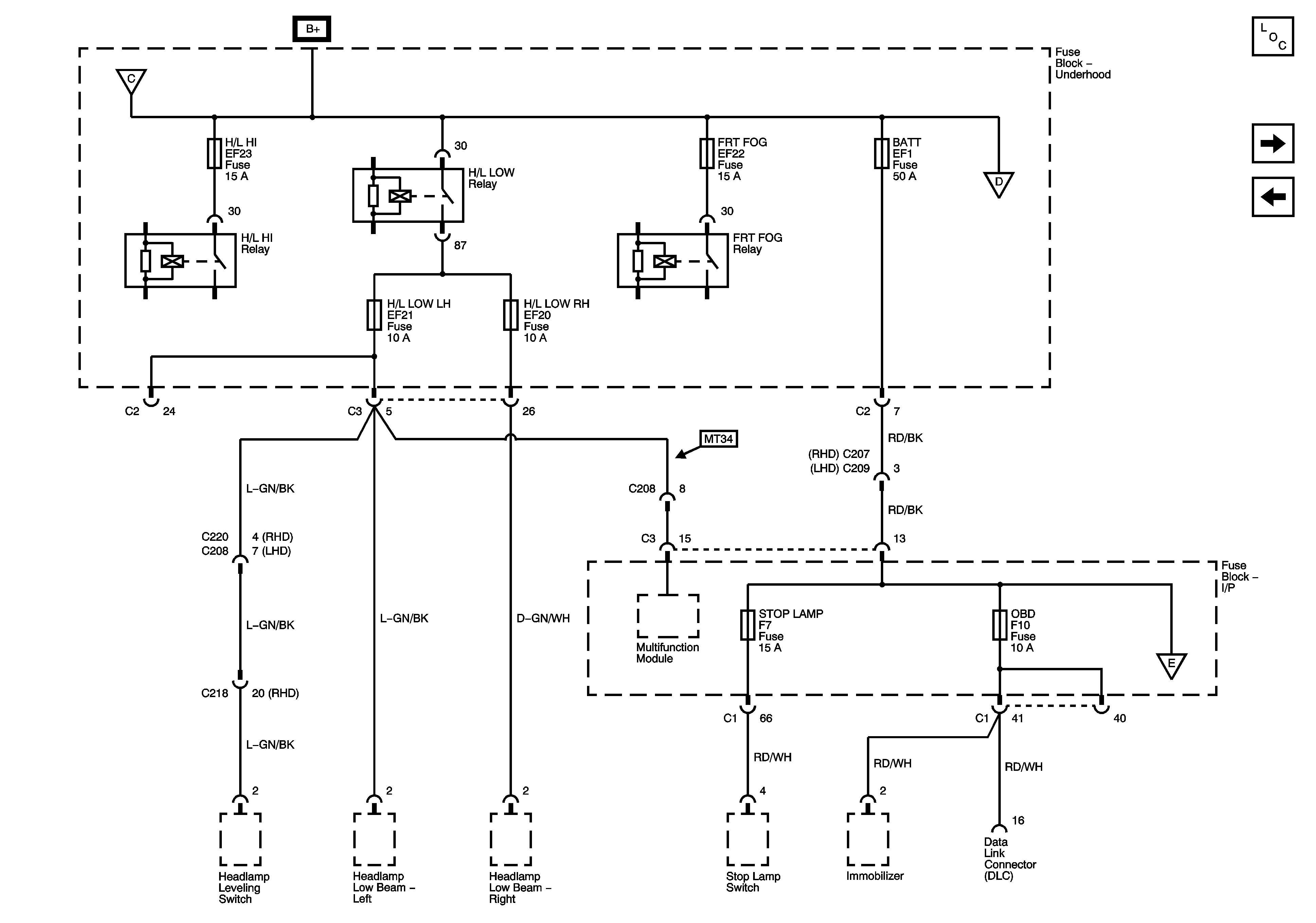
🢒 Headlamp, Fog Lamp Relays and Fuses, BATT Fuse
Headlamp, Fog Lamp Relays and Fuses, BATT Fuse
Head Lamp Relays and Fuses, Fog Lamp Relays and Fuses, BATT, STOPLAMPS, OBD Fuses
Master Electrical Component List (Notchback)
ROOM LAMP, SUNROOF, SPARE Fuses
PK/LP Relay and Fuses
PK/LP Relay and Fuses
ACC/IG 1 Fuse, Ignition Switch, B/UP LAMP, ELEC MIRROR Fuses
ROOM LAMP, SUNROOF, SPARE Fuses