GM Service Manual Online
For 1990-2009 cars only
Makes
🢒
Pontiac
🢒
2007
🢒
Wave
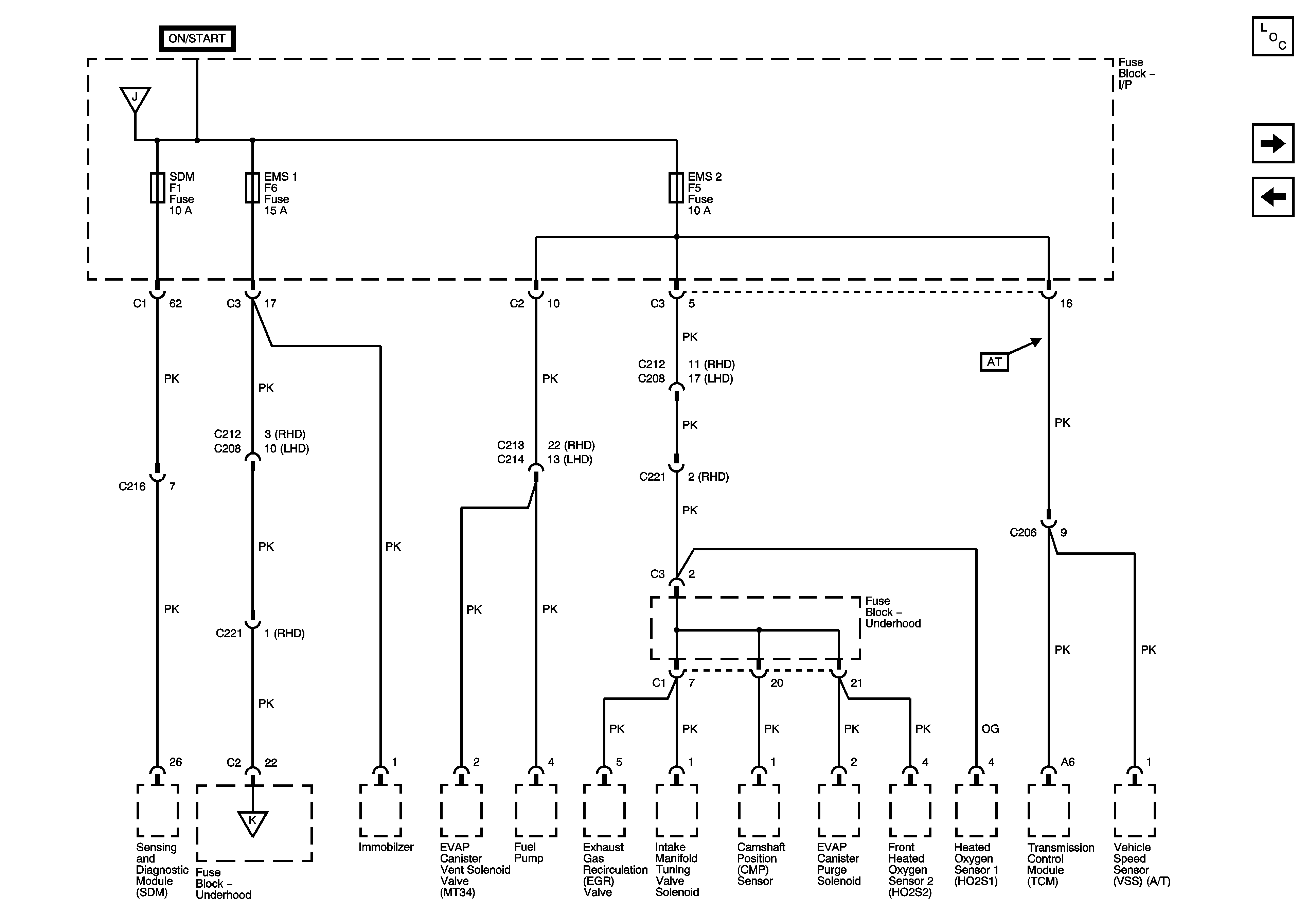
🢒 SDM, EMS 1, EMS 2 Fuses
SDM, EMS 1, EMS 2 Fuses
SDM, EMS 1, EMS 2 Fuses
Master Electrical Component List (Notchback)
Headlamps, A/C, Fan Relays
IGN 2/ST Fuse, Ignition Switch, CIGAR, AUDIO/CLOCK, CLUSTER, T/SIG Fuses
IGN 2/ST Fuse, Ignition Switch, CIGAR, AUDIO/CLOCK, CLUSTER, T/SIG Fuses