GM Service Manual Online
For 1990-2009 cars only
Makes
🢒
Pontiac
🢒
2007
🢒
Wave
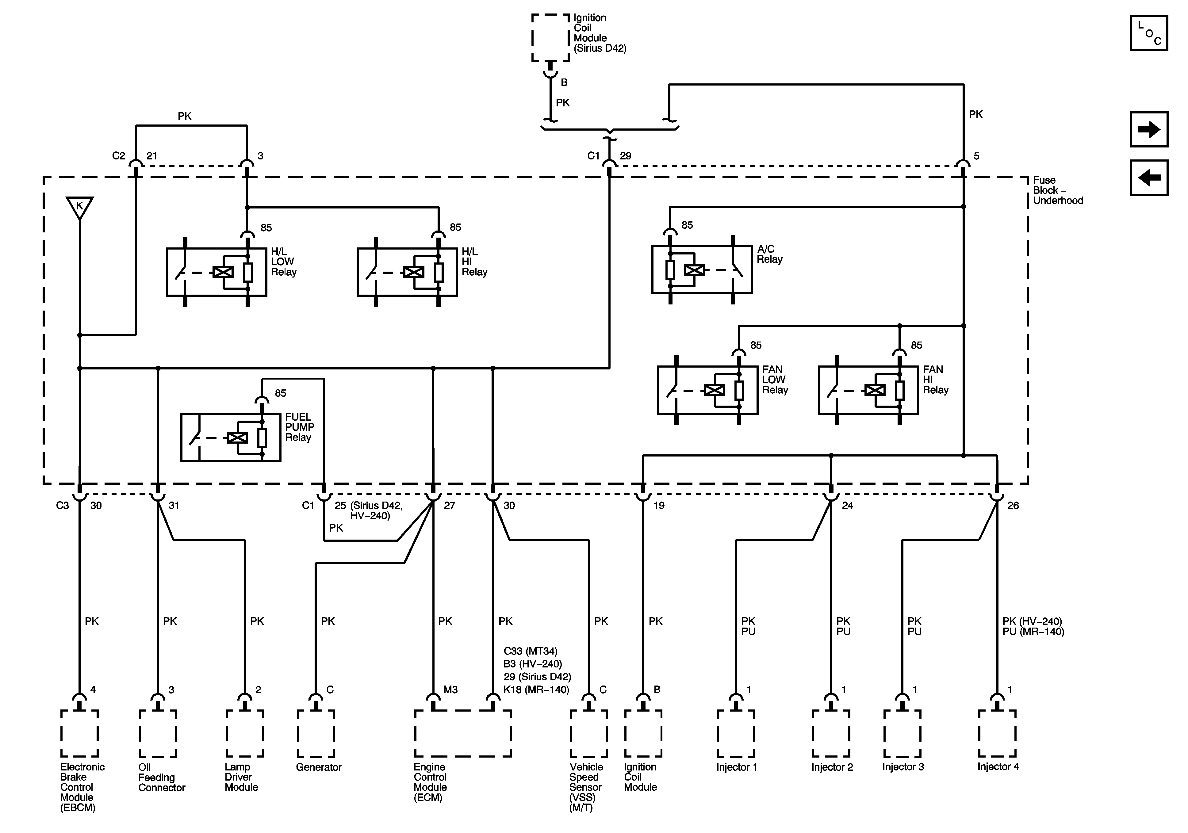
🢒 Headlamps,A/C, Fan Relays
Headlamps,A/C, Fan Relays
Headlamp, Fan, A/C Relays
Master Electrical Component List (Notchback)
MAIN, FAN, A/C RELAYS, EMS1, EMS2 Fuses - SIRIUS D42, MT34
SDM, EMS 1, EMS 2 Fuses
SDM, EMS 1, EMS 2 Fuses