GM Service Manual Online
For 1990-2009 cars only
Makes
🢒
Pontiac
🢒
2007
🢒
Wave
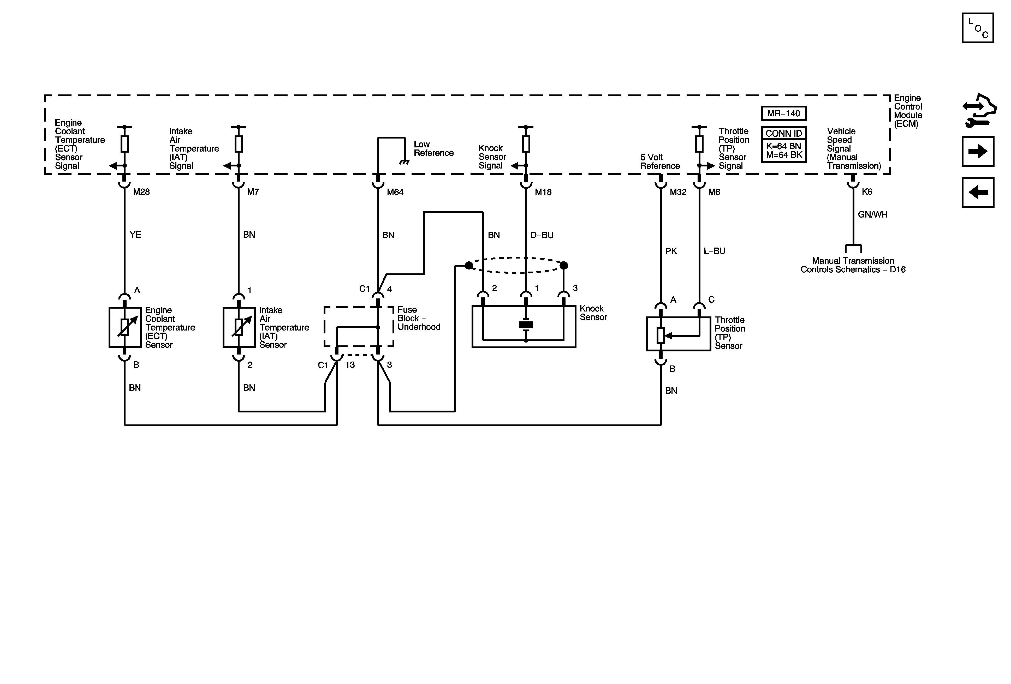
🢒 TP, ECT, IAT, Knock Sensors
TP, ECT, IAT, Knock Sensors
TP, ECT, IAT, Knock Sensors
Master Electrical Component List (Notchback)
Control Module References
Ignition Coil Module
Engine Control Module (ECM) Power and Ground, Malfunction Indicator Lamp (MIL) and Serial Data
Manual Transaxle Schematics