GM Service Manual Online
For 1990-2009 cars only
Makes
🢒
Pontiac
🢒
2007
🢒
Wave
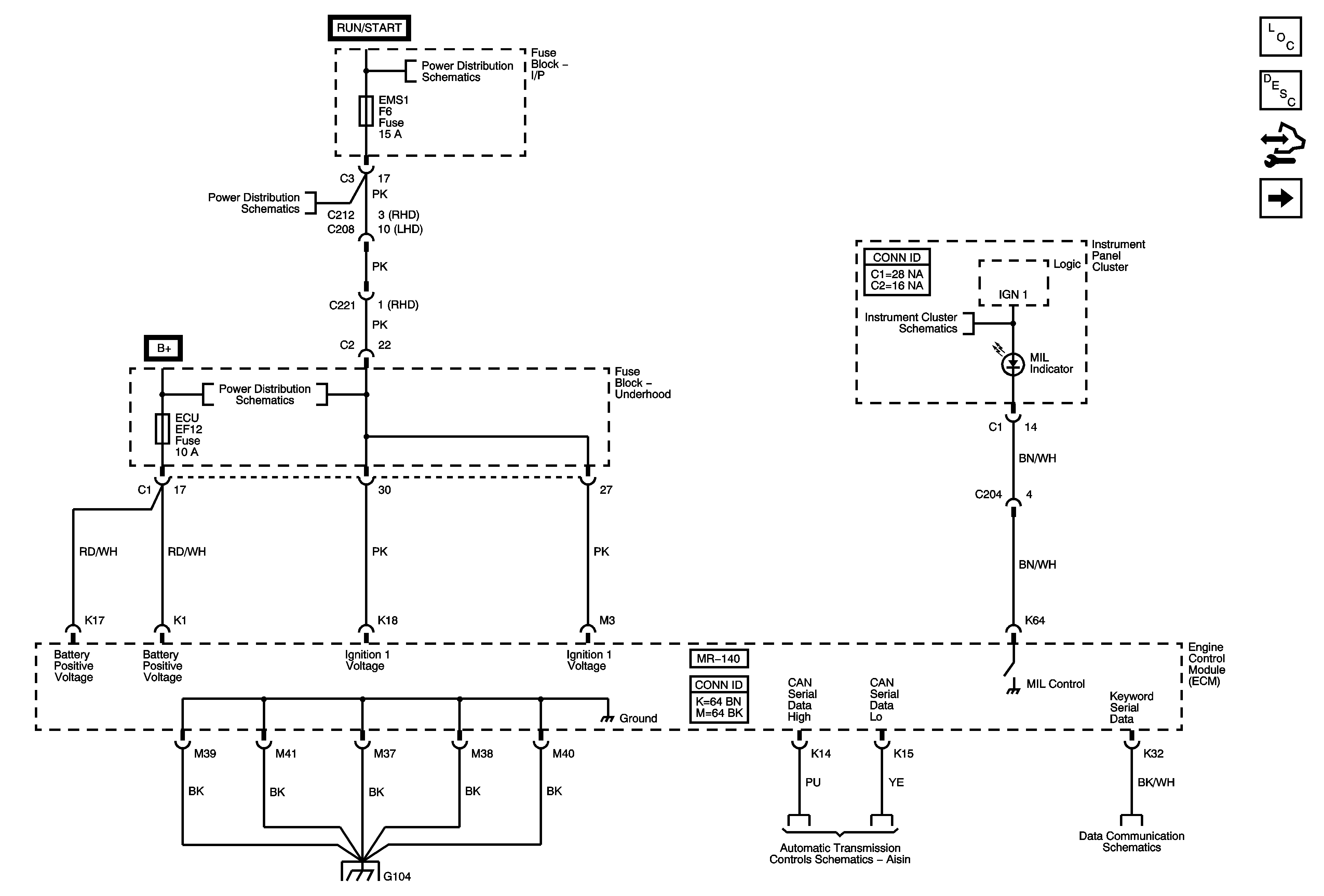
🢒 Engine Control Module (ECM) Power and Ground, Malfunction Indicator Lamp (MIL) and Serial Data
Engine Control Module (ECM) Power and Ground, Malfunction Indicator Lamp (MIL) and Serial Data
Engine Control Module (ECM) Power and Ground, Malfunction Indicator Lamp (MIL)
Master Electrical Component List Notchback
Engine Control Module Description
Control Module References
TP, ECT, IAT, Knock Sensors
SDM, EMS 1, EMS 2 Fuses
SDM, EMS 1, EMS 2 Fuses
ABS, HAZARD, ECU, FUEL PUMP Fuses
Charge, Brake, MIL, Seat Belt, Air Bag, Oil Pressure, HOLD, ABS, Door Open Indicators
G104
Transmission Control Module (TCM) Power and Ground Distribution, Serial Data and Shift Program Switch
Data Communication Schematics