GM Service Manual Online
For 1990-2009 cars only
Makes
🢒
Pontiac
🢒
2007
🢒
Wave
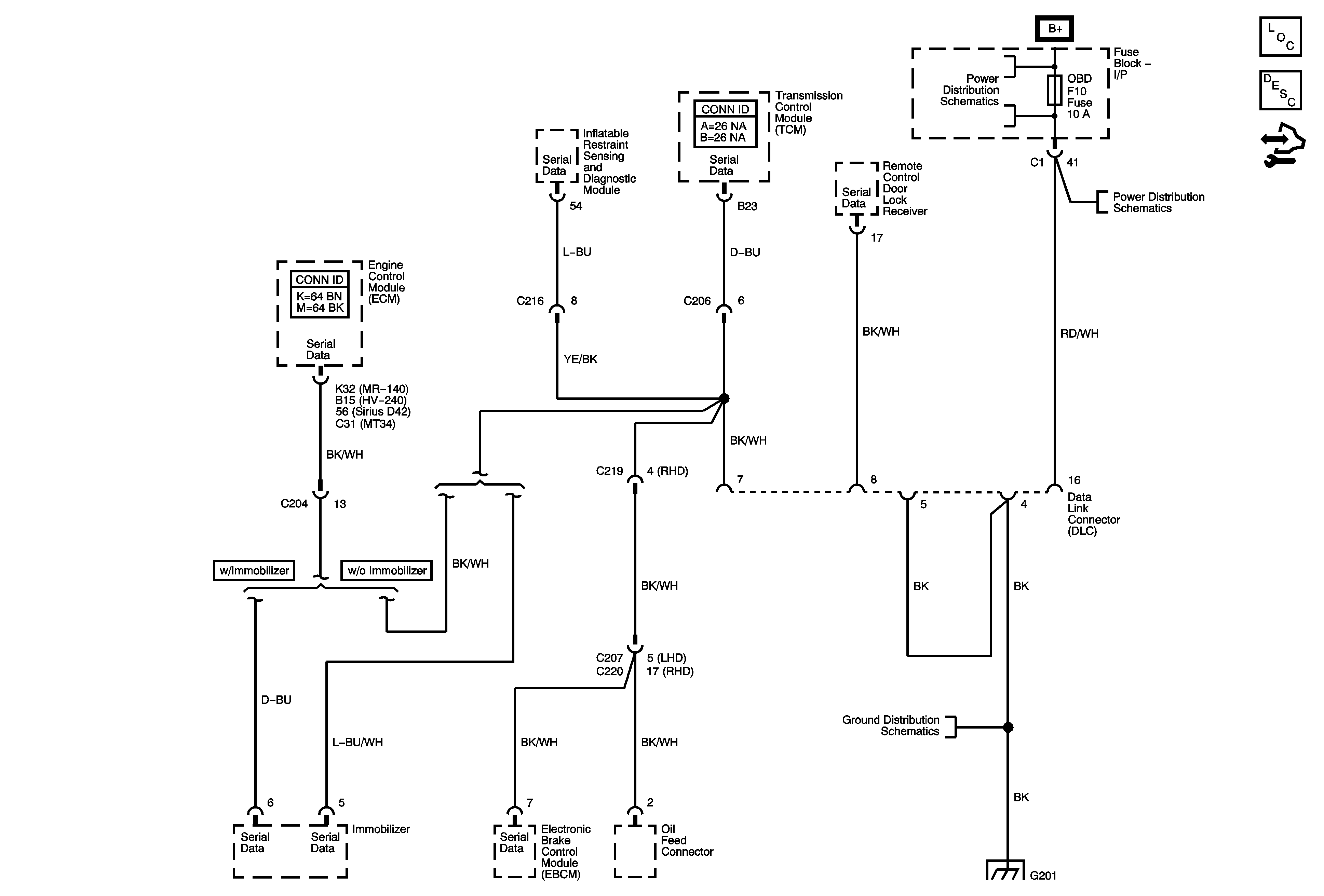
🢒 Data Communication Schematics
Data Communication Schematics
Master Electrical Component List Notchback
Data Link Communications Description and Operation
Control Module References
Headlamp, Fog Lamp Relays and Fuses, BATT Fuse
Headlamp, Fog Lamp Relays and Fuses, BATT Fuse
G201 - 1 of 3
G201 - 1 of 3