GM Service Manual Online
For 1990-2009 cars only
Makes
🢒
Pontiac
🢒
2007
🢒
Wave
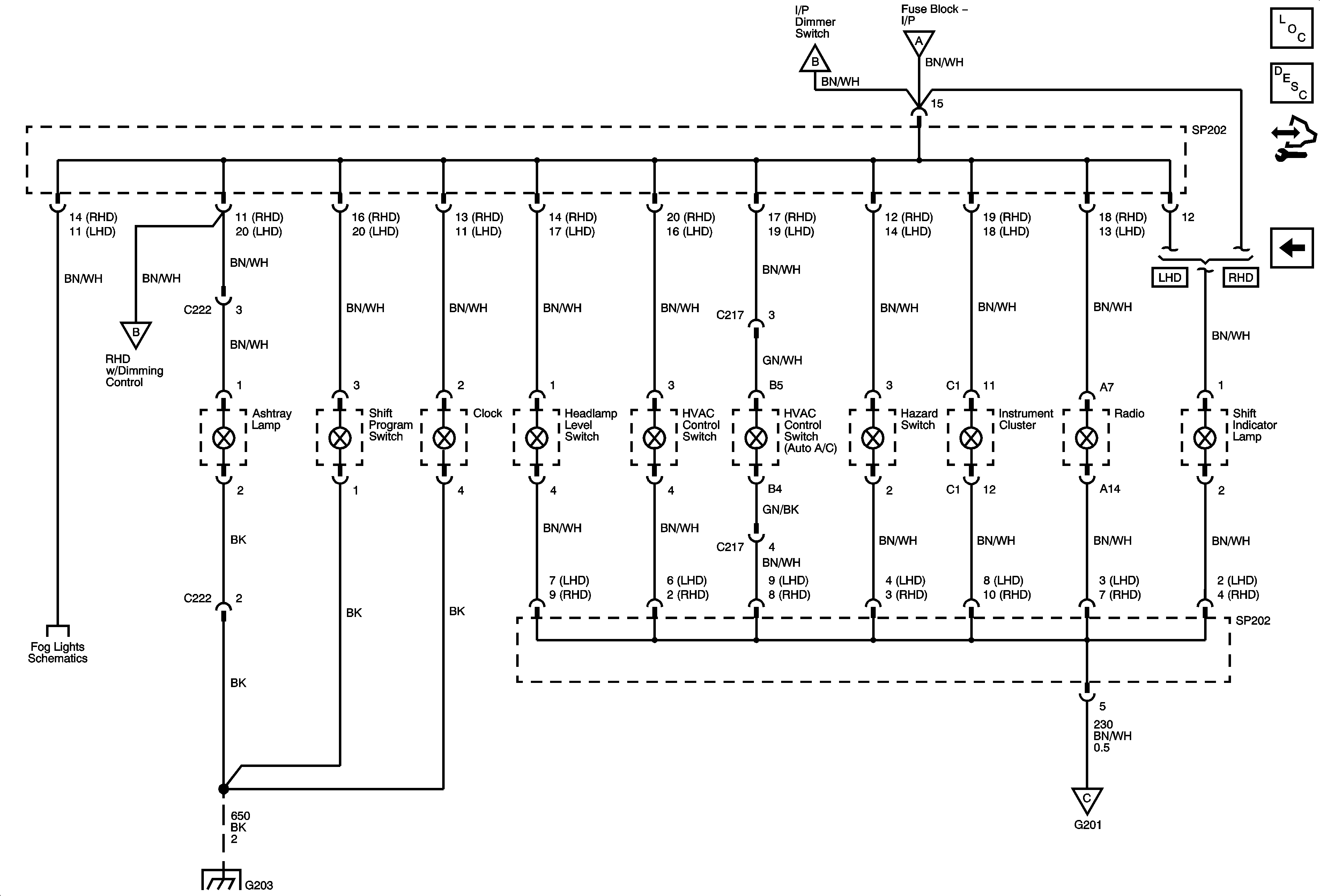
🢒 Interior Lights Dimming Schematics (2 of 2)
Interior Lights Dimming Schematics (2 of 2)
Interior Lights Dimming (2 of 2)
Master Electrical Component List (Notchback)
Interior Lighting Systems Description and Operation
Control Module References
Interior Lights Dimming Schematics (1 of 2)
Interior Lights Dimming Schematics (1 of 2)
Interior Lights Dimming Schematics (1 of 2)
Fog Lamp Schematics
G203
Interior Lights Dimming Schematics (1 of 2)