GM Service Manual Online
For 1990-2009 cars only
Makes
🢒
Pontiac
🢒
2007
🢒
Wave
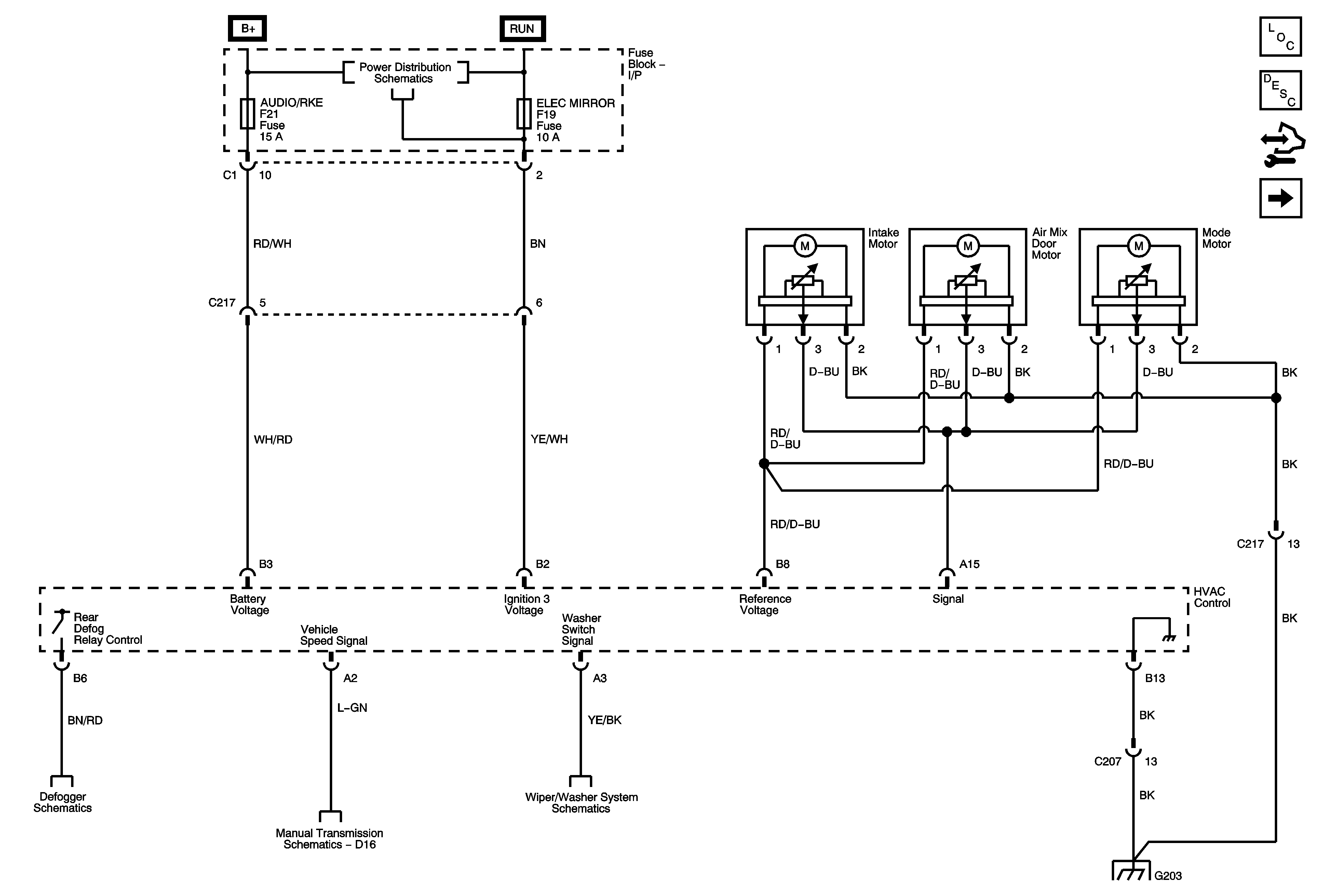
🢒 HVAC Control, Intake, Air Mix, Mode Motors
HVAC Control, Intake, Air Mix, Mode Motors
HVAC Control, Intake, Air Mix, Mode Motors
Master Electrical Component List (Notchback)
Automatic HVAC Description and Operation
Control Module References
Blower Control
ACC/IG 1 Fuse, Ignition Switch, B/UP LAMP, ELEC MIRROR Fuses
Defogger Schematics
Manual Transaxle Schematics
Wiper System Schematics
G203