GM Service Manual Online
For 1990-2009 cars only
Makes
🢒
Pontiac
🢒
2007
🢒
Wave
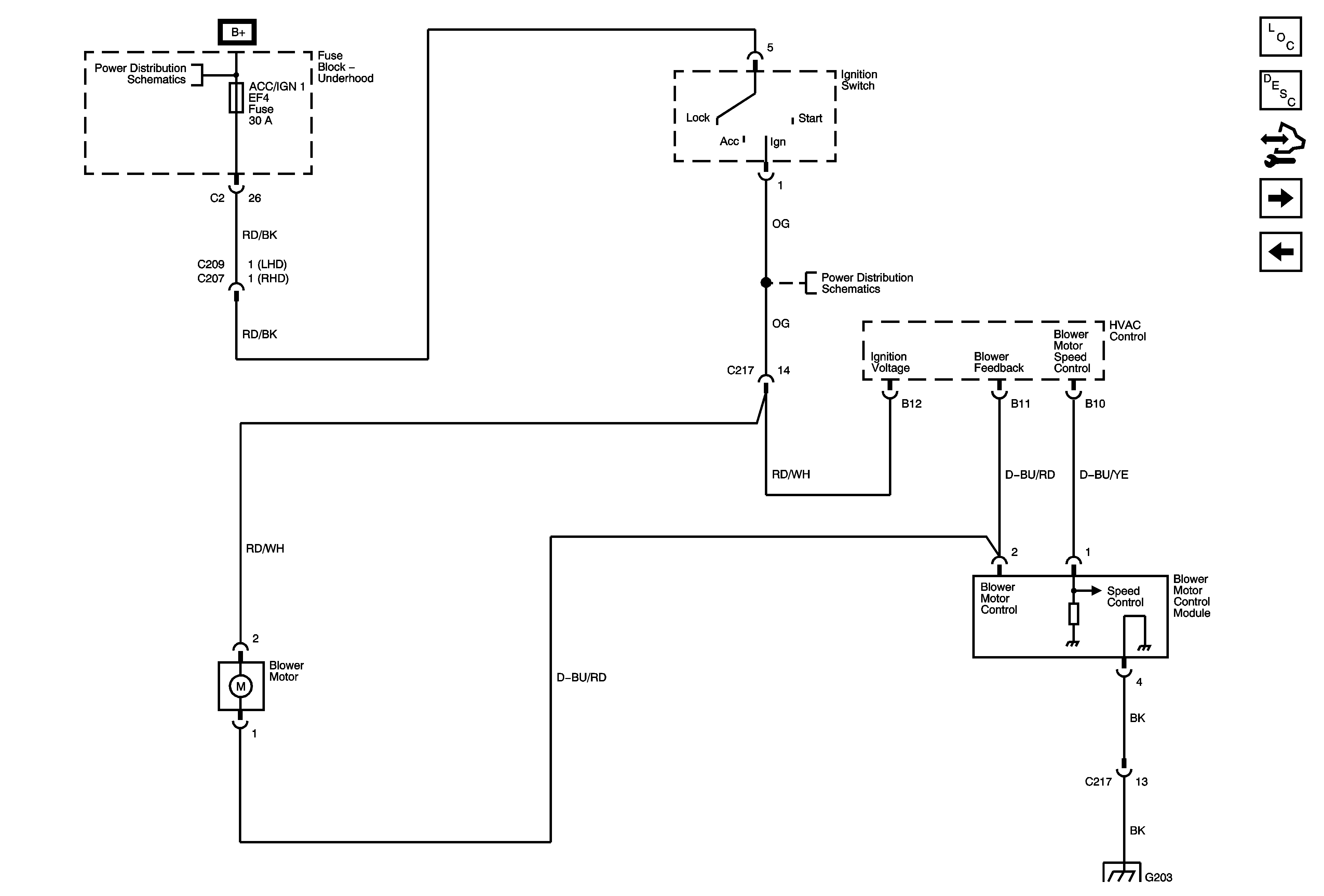
🢒 Blower Control
Blower Control
Blower Control
Master Electrical Component List (Notchback)
Automatic HVAC Description and Operation
Control Module References
Compressor Control Sirius D42
HVAC Control, Intake, Air Mix, Mode Motors
ACC/IG 1 Fuse, Ignition Switch, B/UP LAMP, ELEC MIRROR Fuses
ACC/IG 1 Fuse, Ignition Switch, B/UP LAMP, ELEC MIRROR Fuses
G203