GM Service Manual Online
For 1990-2009 cars only
Makes
🢒
Pontiac
🢒
2007
🢒
Wave
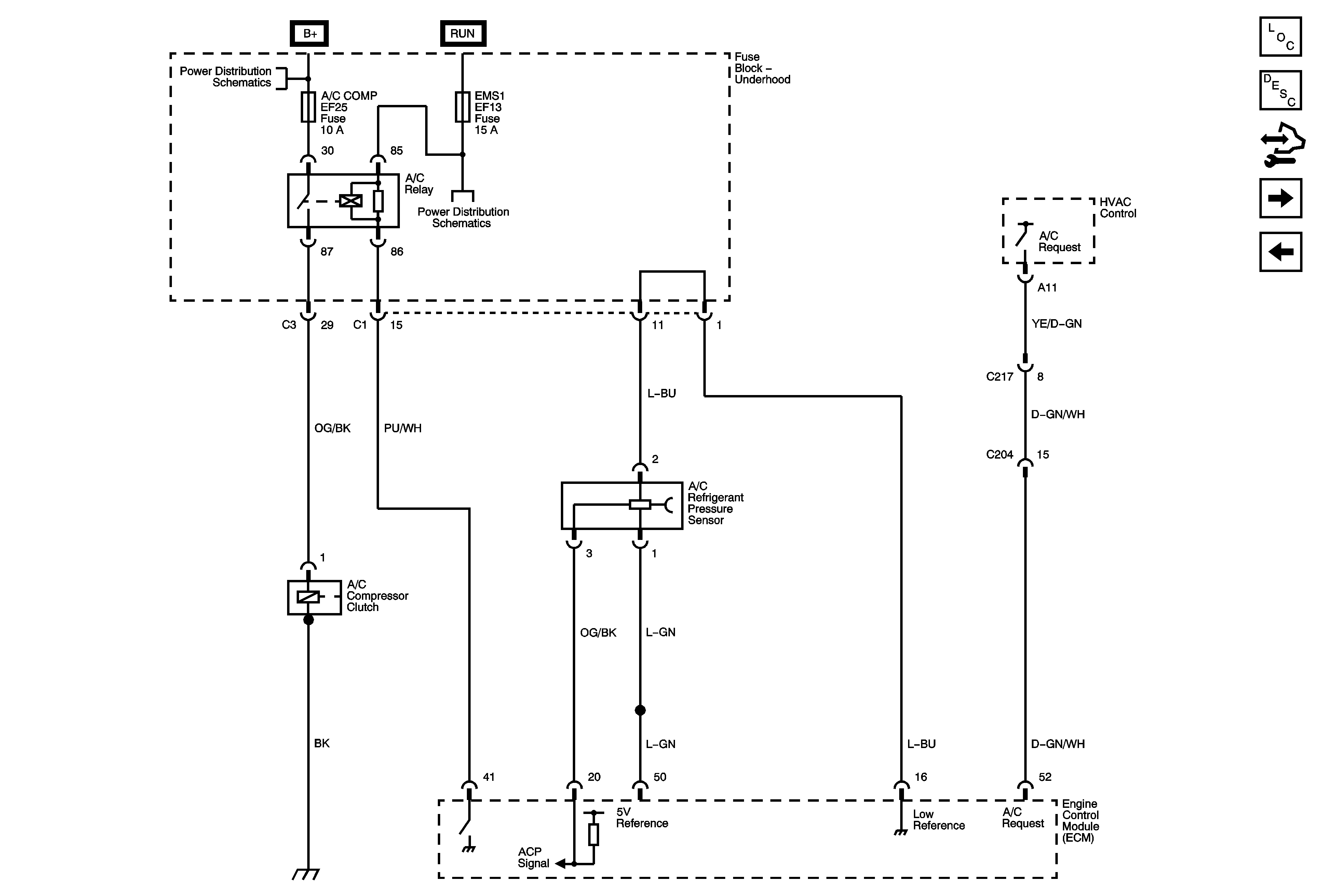
🢒 Compressor Control Sirius D42
Compressor Control Sirius D42
Compressor Control Sirius D42
Master Electrical Component List (Notchback)
Automatic HVAC Description and Operation
Control Module References
Compressor Control MR140, HV240
Blower Control
FAN LOW, FAN HI, A/C COMP, P/WINDOW Relays and Fuses
MAIN, FAN, A/C RELAYS, EMS1, EMS2 Fuses - SIRIUS D42, MT34