GM Service Manual Online
For 1990-2009 cars only
Makes
🢒
Pontiac
🢒
2007
🢒
Wave
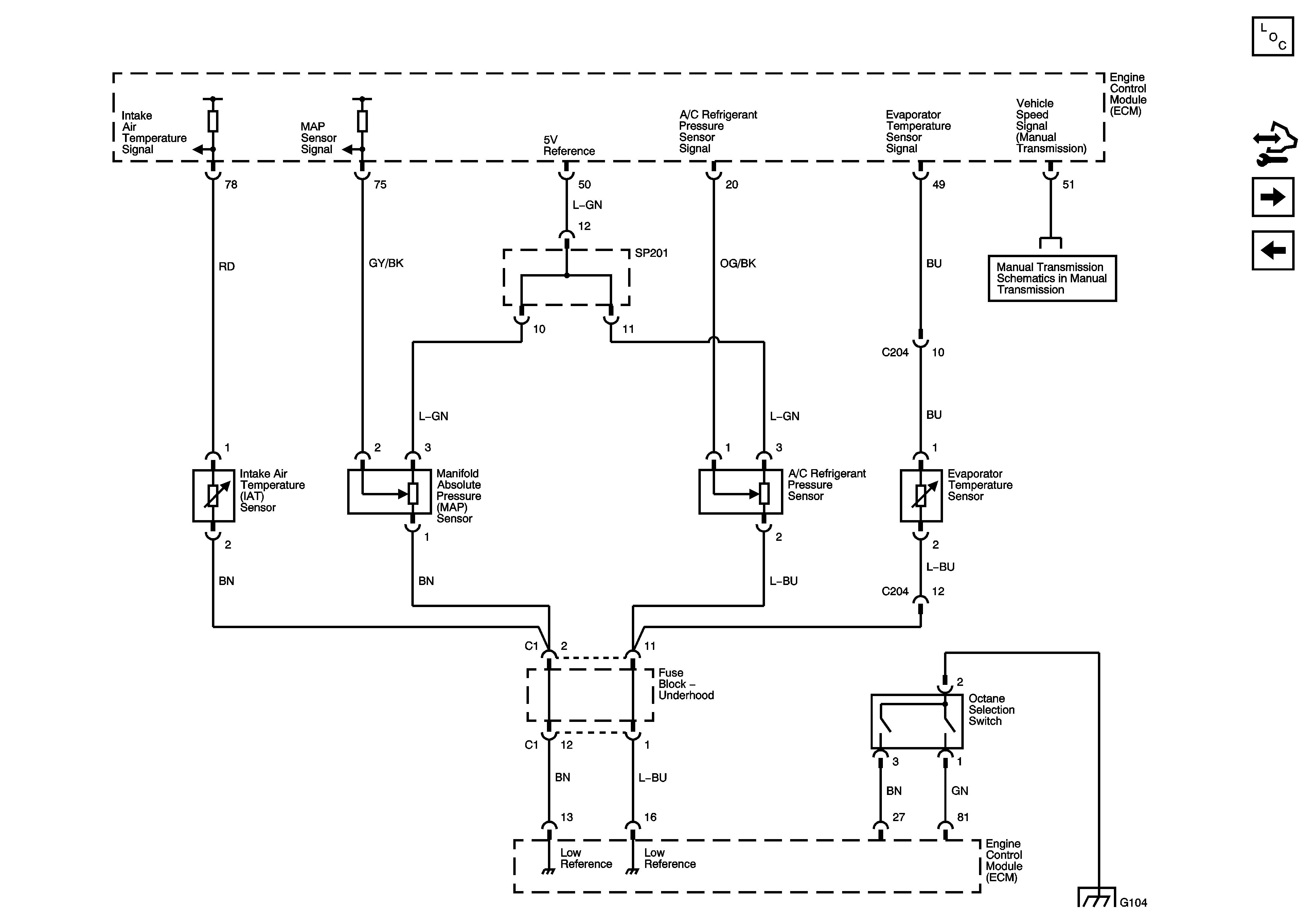
🢒 IAT, MAP, A/C Refrigerant Pressure, Evaporator Temperature Sensors, Octane Selection Switch
IAT, MAP, A/C Refrigerant Pressure, Evaporator Temperature Sensors, Octane Selection Switch
IAT, MAP, A/C Refrigerant Pressure, Evaporator Temperature Sensors, Octane Selection Switch
Master Electrical Component List (Notchback)
Control Module References
Ignition Coils
Engine Control Module (ECM) Power, Ground, MIL Control
Manual Transaxle Schematics
G104