GM Service Manual Online
For 1990-2009 cars only
Makes
🢒
Pontiac
🢒
2007
🢒
Wave
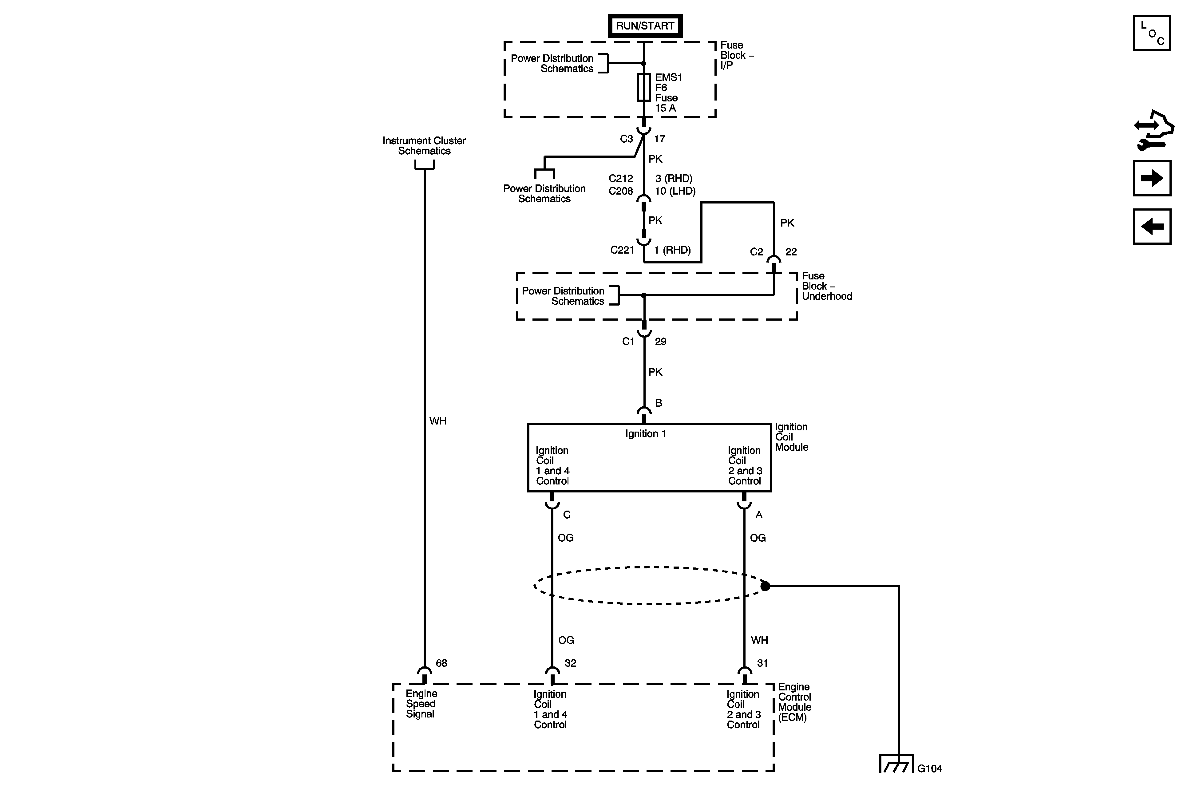
🢒 Ignition Coils
Ignition Coils
Ignition Coils
Master Electrical Component List (Notchback)
Control Module References
Heated Oxygen Sensors
IAT, MAP, A/C Refrigerant Pressure, Evaporator Temperature Sensors, Octane Selection Switch
SDM, EMS 1, EMS 2 Fuses
Instrument Cluster Power and Ground, Ambient Temperature, Engine Temperature, Fuel, Speed Gages
ABS, HAZARD, ECU, FUEL PUMP Fuses
ABS, HAZARD, ECU, FUEL PUMP Fuses
G104