GM Service Manual Online
For 1990-2009 cars only
Makes
🢒
Pontiac
🢒
2007
🢒
Wave
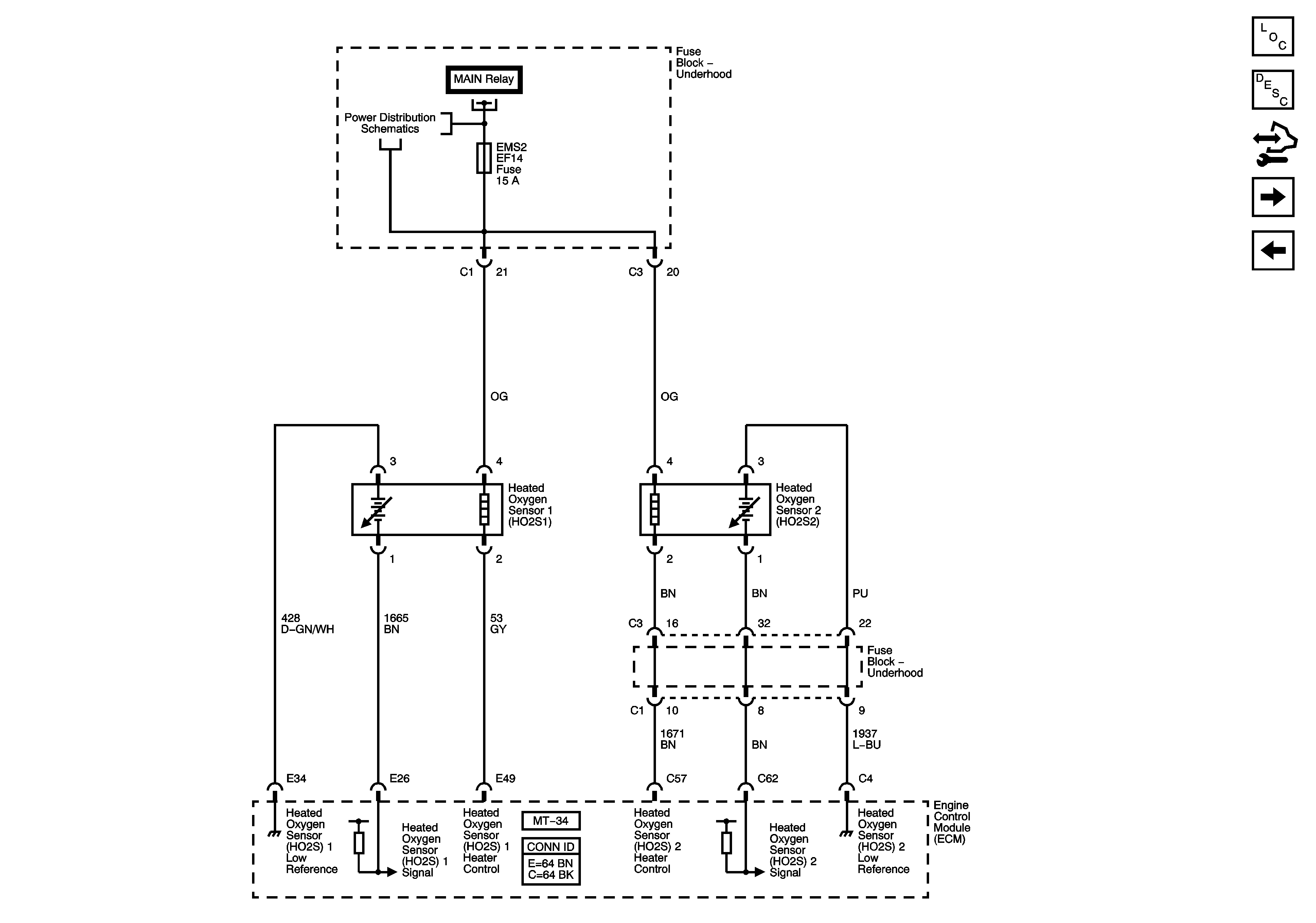
🢒 Heated Oxygen Sensors (HO2S)
Heated Oxygen Sensors (HO2S)
Heated Oxygen Sensors (HO2S)
Master Electrical Component List Notchback
Engine Control Module Description
Control Module References
Ignition Coil Module
Accelerator Pedal Position (APP) Sensor, Stop Lamp
MAIN, FAN, A/C RELAYS, EMS1, EMS2 Fuses - SIRIUS D42, MT34