GM Service Manual Online
For 1990-2009 cars only
Makes
🢒
Pontiac
🢒
2007
🢒
Wave
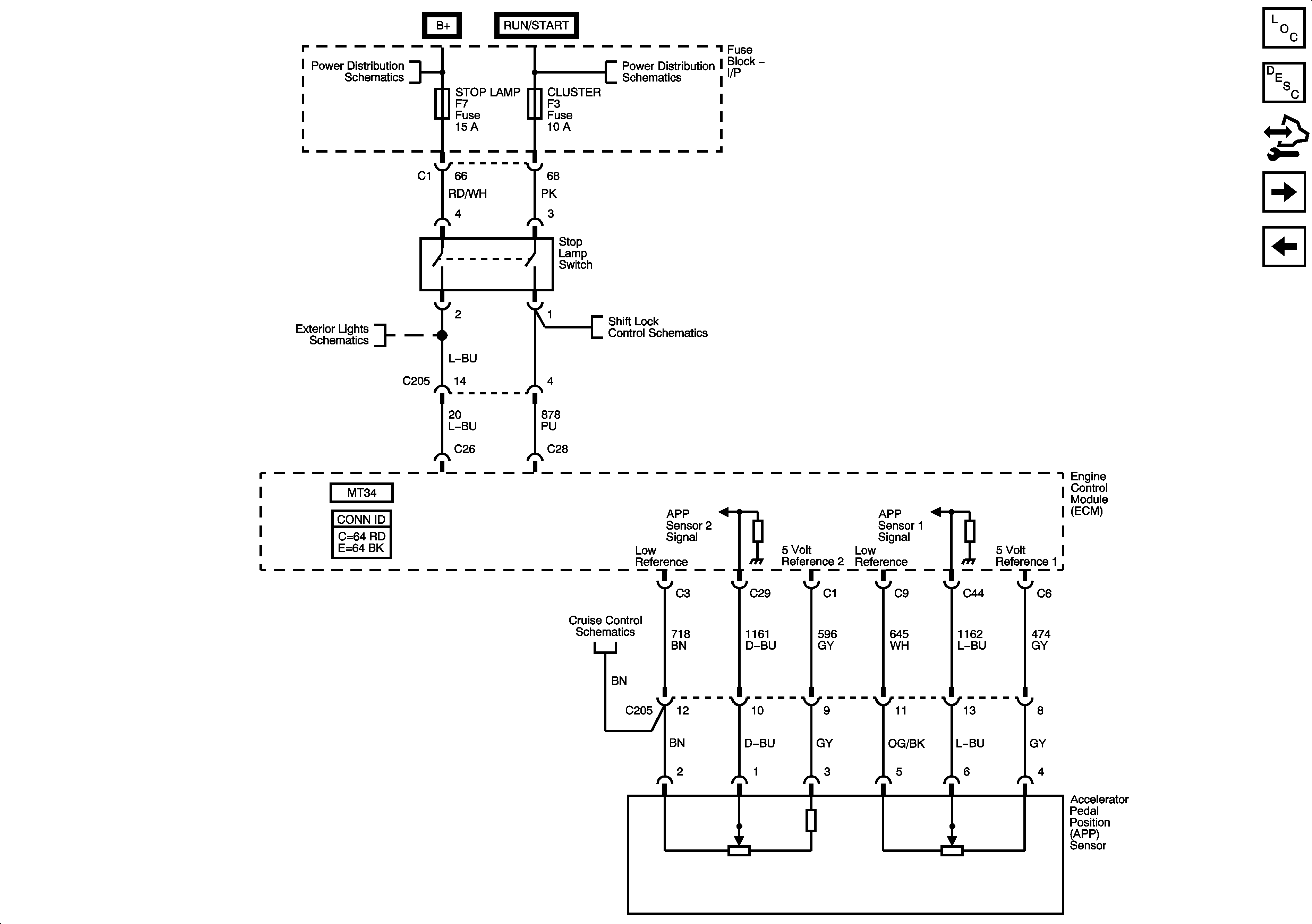
🢒 Accelerator Pedal Position (APP) Sensor, Stop Lamp
Accelerator Pedal Position (APP) Sensor, Stop Lamp
Accelerator Pedal Position (APP) Sensor, Stop Lamp
Master Electrical Component List Notchback
Throttle Actuator Control (TAC) System Description
Control Module References
Heated Oxygen Sensors (HO2S)
Electronic Throttle Control (ETC)
Headlamp, Fog Lamp Relays and Fuses, BATT Fuse
IGN 2/ST Fuse, Ignition Switch, CIGAR, AUDIO/CLOCK, CLUSTER, T/SIG Fuses
Park and Turn Indicator Lamps
Shiftlock Control Schematics