GM Service Manual Online
For 1990-2009 cars only
Makes
🢒
Pontiac
🢒
2007
🢒
Wave
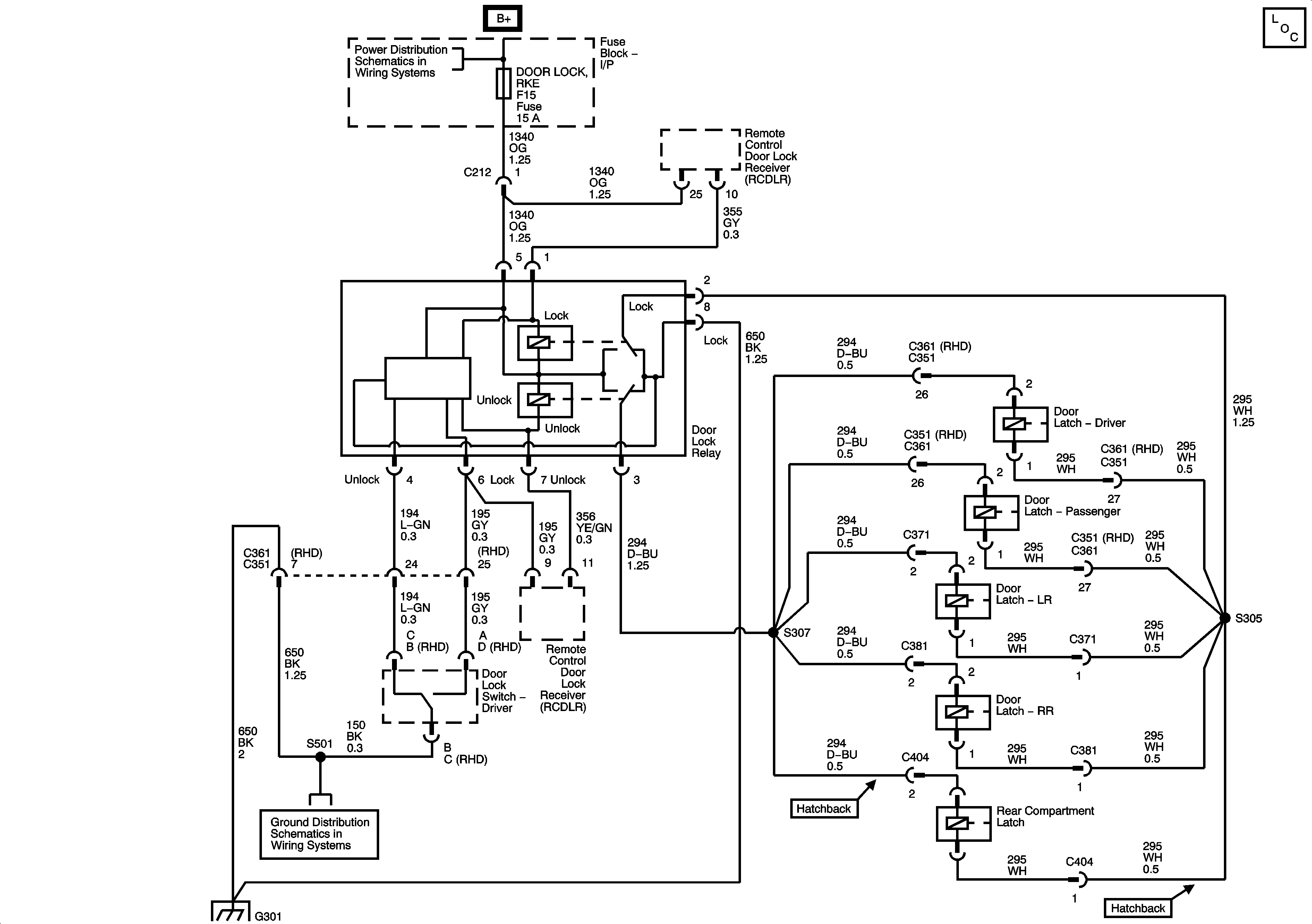
🢒 Door Locks
Door Locks
Master Electrical Component List (Hatchback)
Battery Feed
Ground Distribution G101, G102 - 1 of 2 and G105
Ground Distribution G301