GM Service Manual Online
For 1990-2009 cars only
Makes
🢒
Pontiac
🢒
2007
🢒
Wave
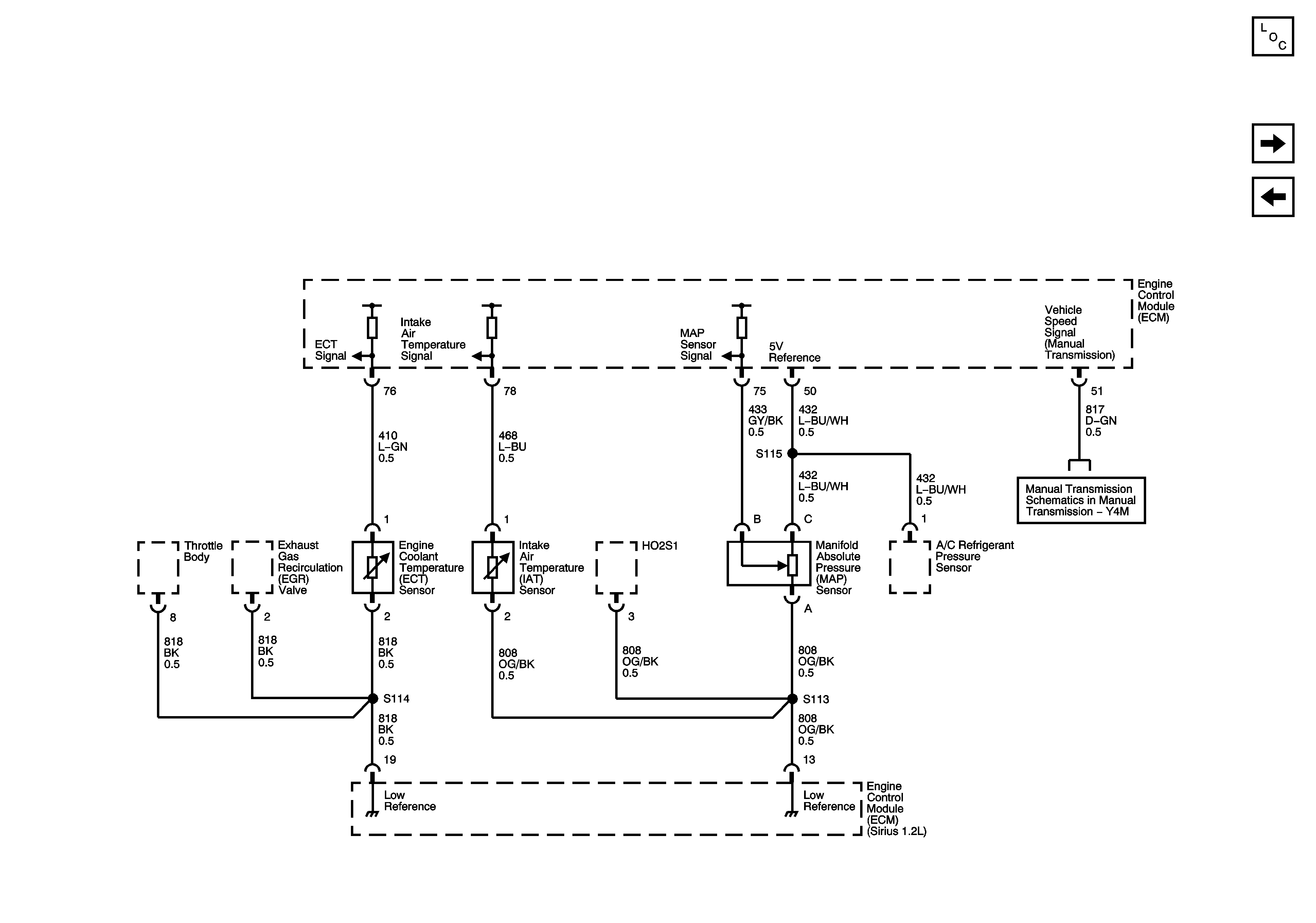
🢒 Data Sensors
Data Sensors
Engine Controls Data Sensors
Master Electrical Component List (Hatchback)
Ignition Sensors
Power, Ground and MIL
Manual Transmission