GM Service Manual Online
For 1990-2009 cars only
Makes
🢒
Pontiac
🢒
2007
🢒
Wave
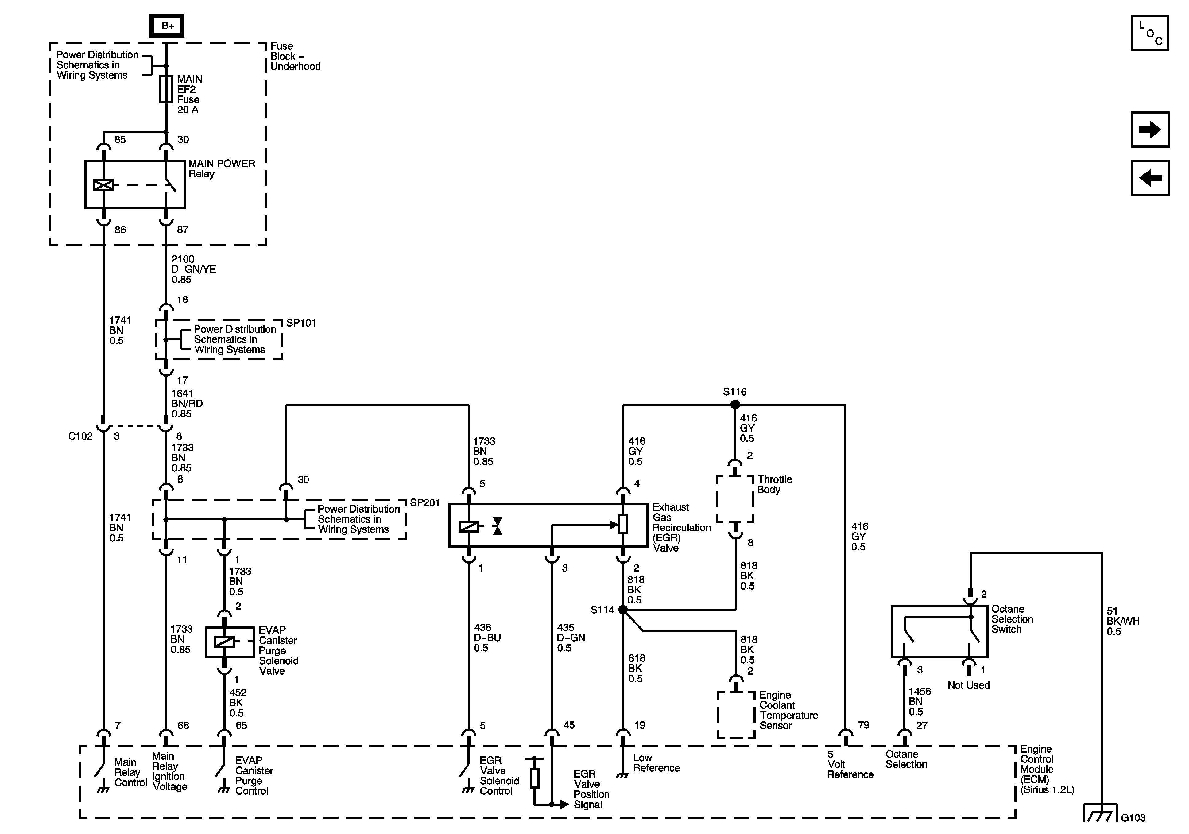
🢒 EVAP and Octane Selector
EVAP and Octane Selector
EVAP and Octane Selector
Master Electrical Component List Hatchback
Subsystem References
Fuel System
Battery Feed
Battery Feed
Battery Feed
Ground Distrbution G103 - 1.2L