GM Service Manual Online
For 1990-2009 cars only
Makes
🢒
Pontiac
🢒
2007
🢒
Wave
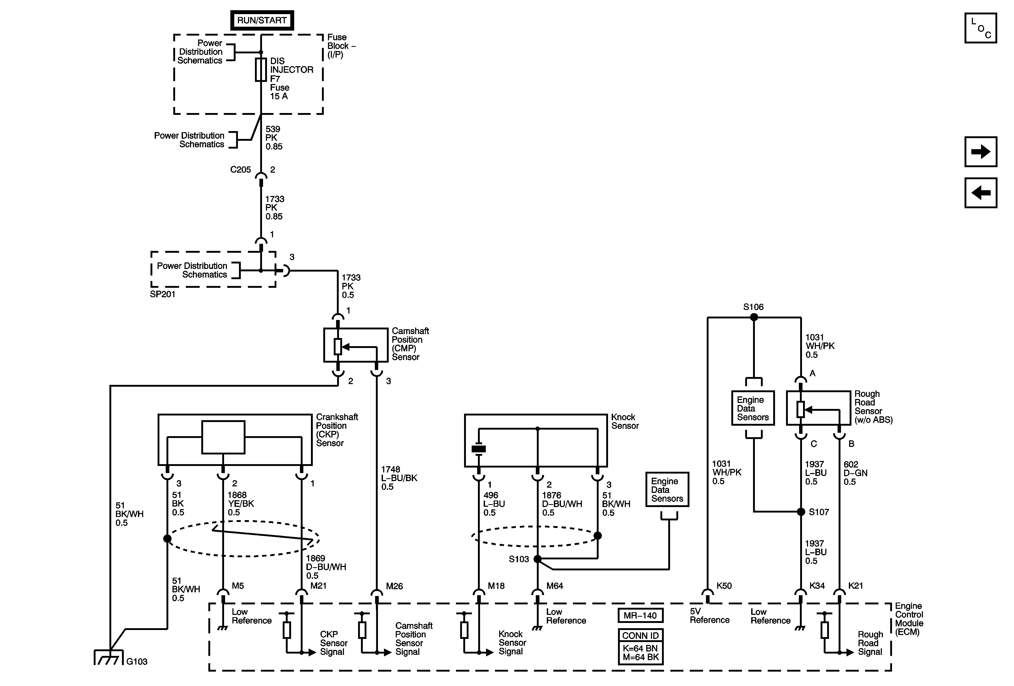
🢒 Ignition Sensors 1.4L DOHC
Ignition Sensors 1.4L DOHC
Ignition Sensors
Master Electrical Component List (Hatchback)
Fuel System 1.4L DOHC
Oxygen Sensors 1.4L DOHC
Battery Feed
Battery Feed
Battery Feed
Ground Distrbution G103 - 1.2L