GM Service Manual Online
For 1990-2009 cars only
Makes
🢒
Pontiac
🢒
2007
🢒
Wave
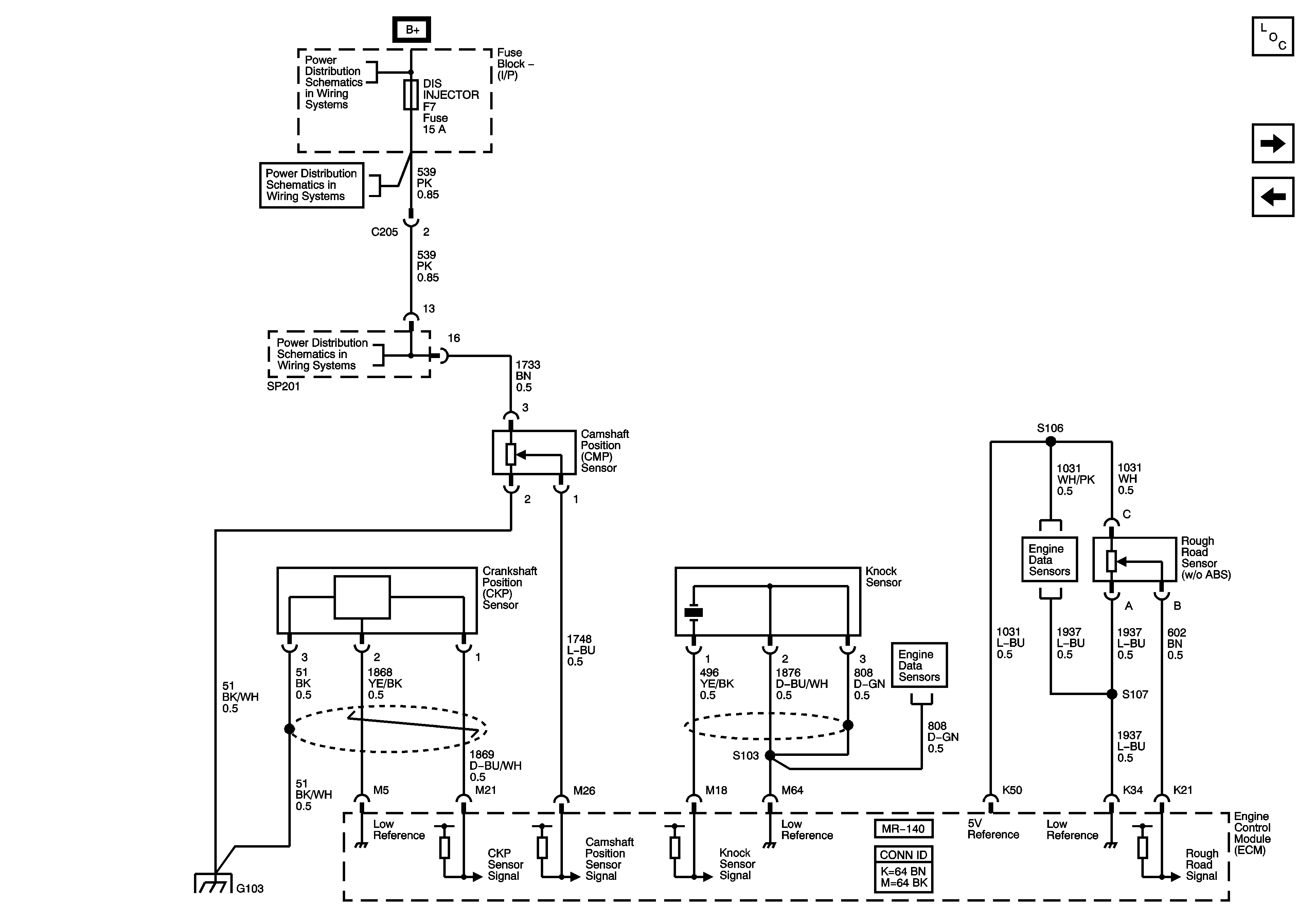
🢒 Ignition Sensors 1.4L SOHC
Ignition Sensors 1.4L SOHC
Ignition Sensors
Master Electrical Component List (Hatchback)
Fuel System 1.4L SOHC
Ignition System
Battery Feed
Battery Feed
Battery Feed
Ground Distrbution G103 - 1.2L