GM Service Manual Online
For 1990-2009 cars only
Makes
🢒
Pontiac
🢒
2007
🢒
Wave
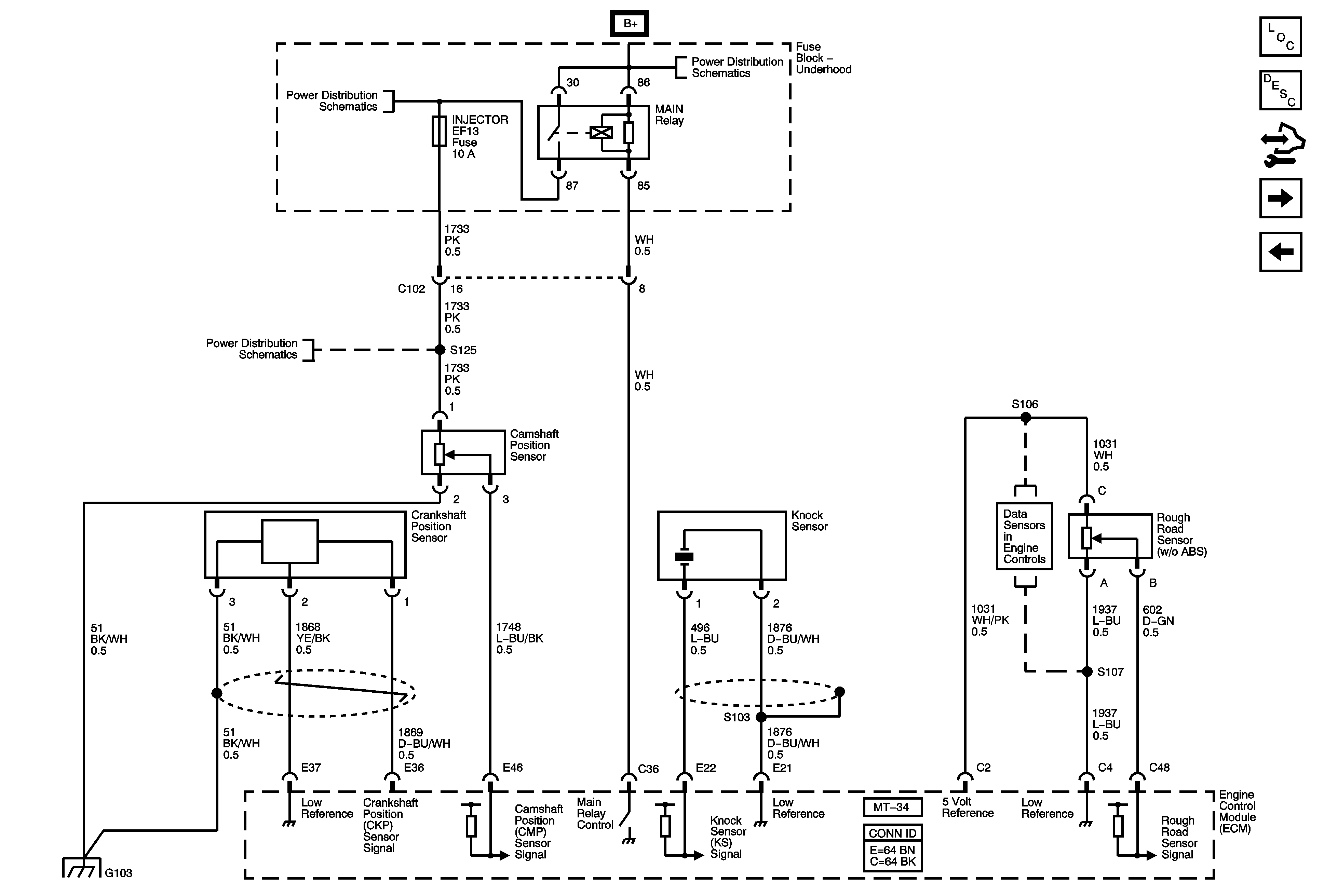
🢒 Ignition Sensors
Ignition Sensors
Ignition Sensors
Master Electrical Component List Hatchback
Fuel Injectors
Ignition System
Battery Feed
Battery Feed
Battery Feed
Ground Distribution G103 - 1.6L