GM Service Manual Online
For 1990-2009 cars only
Makes
🢒
Pontiac
🢒
2007
🢒
Wave
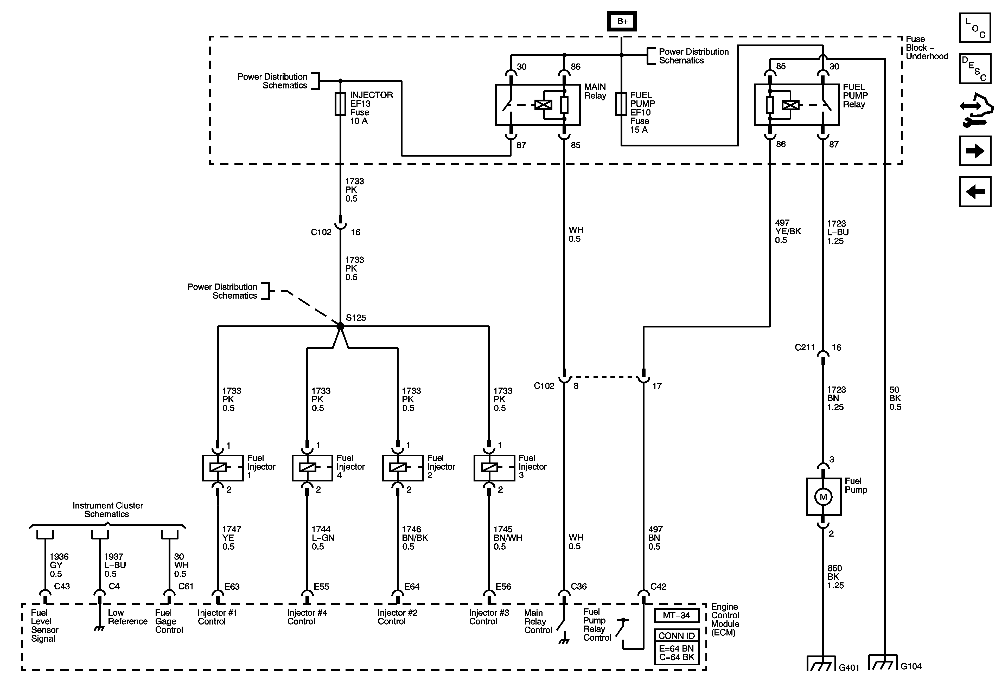
🢒 Fuel Injectors
Fuel Injectors
Fuel Injectors
Master Electrical Component List Hatchback
EVAP Controls
Ignition Sensors
Battery Feed
Battery Feed
Battery Feed
Instrument Cluster Gages 1.6L
Ground Distribution G401
G104